- Partiron
- OEM Parts
- Kawasaki
- motorcycle
- 2012
- W800 (European)
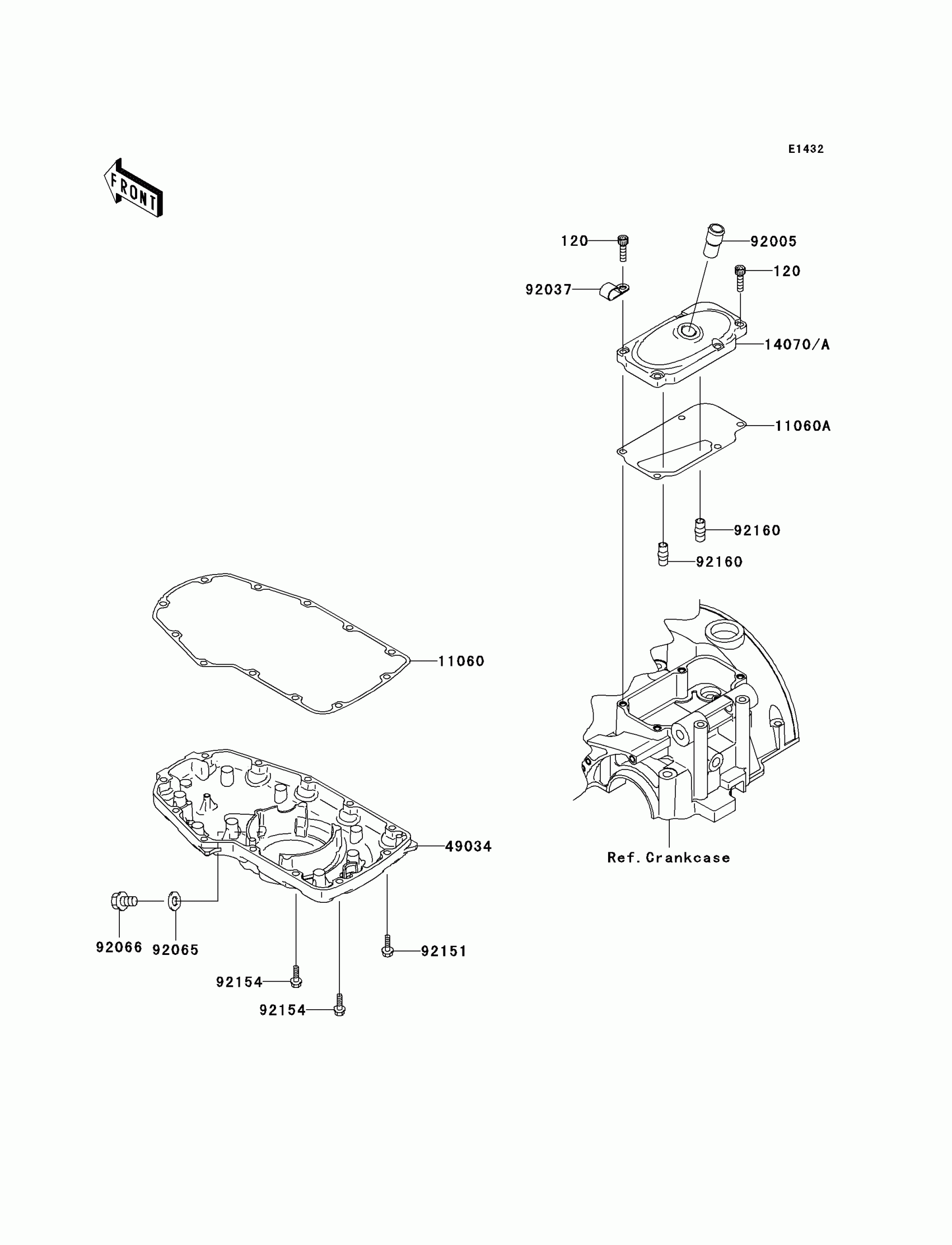
Breather Cover/Oil Pan
Kawasaki W800 (European) Breather Cover/Oil Pan Diagram
#
Description
Price
Breather Cover/Oil Pan
#
Edit ride
