Partiron

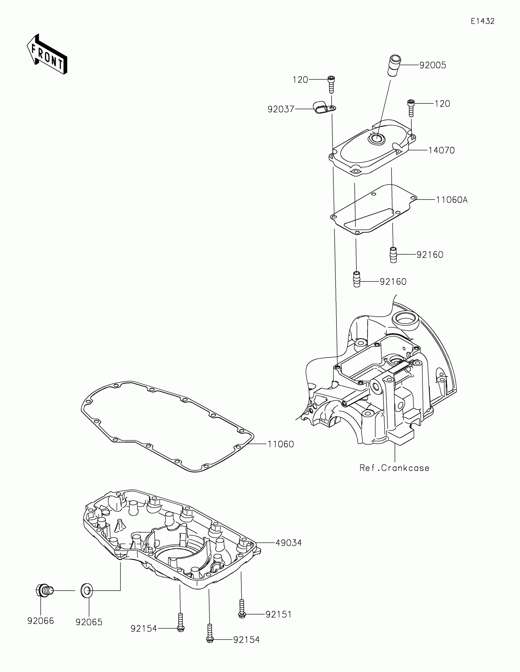
Kawasaki W800 Breather Cover/Oil Pan Diagram

#

Description
Price

11060

GASKET,OIL PAN

11060-1895

$18.26

11060A

GASKET,BREATHER BODY COVER

11060-1930

$10.80

14070

BODY-BREATHER

14070-0057

$77.48

49034

PAN-OIL

49034-0041

$218.99

92005

FITTING,BREATHER

92005-1238

$11.29

92037

CLAMP

92037-1608

$8.10

92065

GASKET,12X22X2

92065-097

$0.74

92066

PLUG,12X15

92066-0079

$6.02

92151

BOLT,FLANGED-SMALL,6X25

92151-1930

$2.80

92154

BOLT,FLANGED,6X25

92154-0490

$1.94

92160

DAMPER,BREATHER BODY

92160-1987

$6.00

120

BOLT-SOCKET,6X22

120CC0622

$2.03