- Partiron
- OEM Parts
- Suzuki
- Motorcycle
- 2025
- VZR1800M4 (2025)
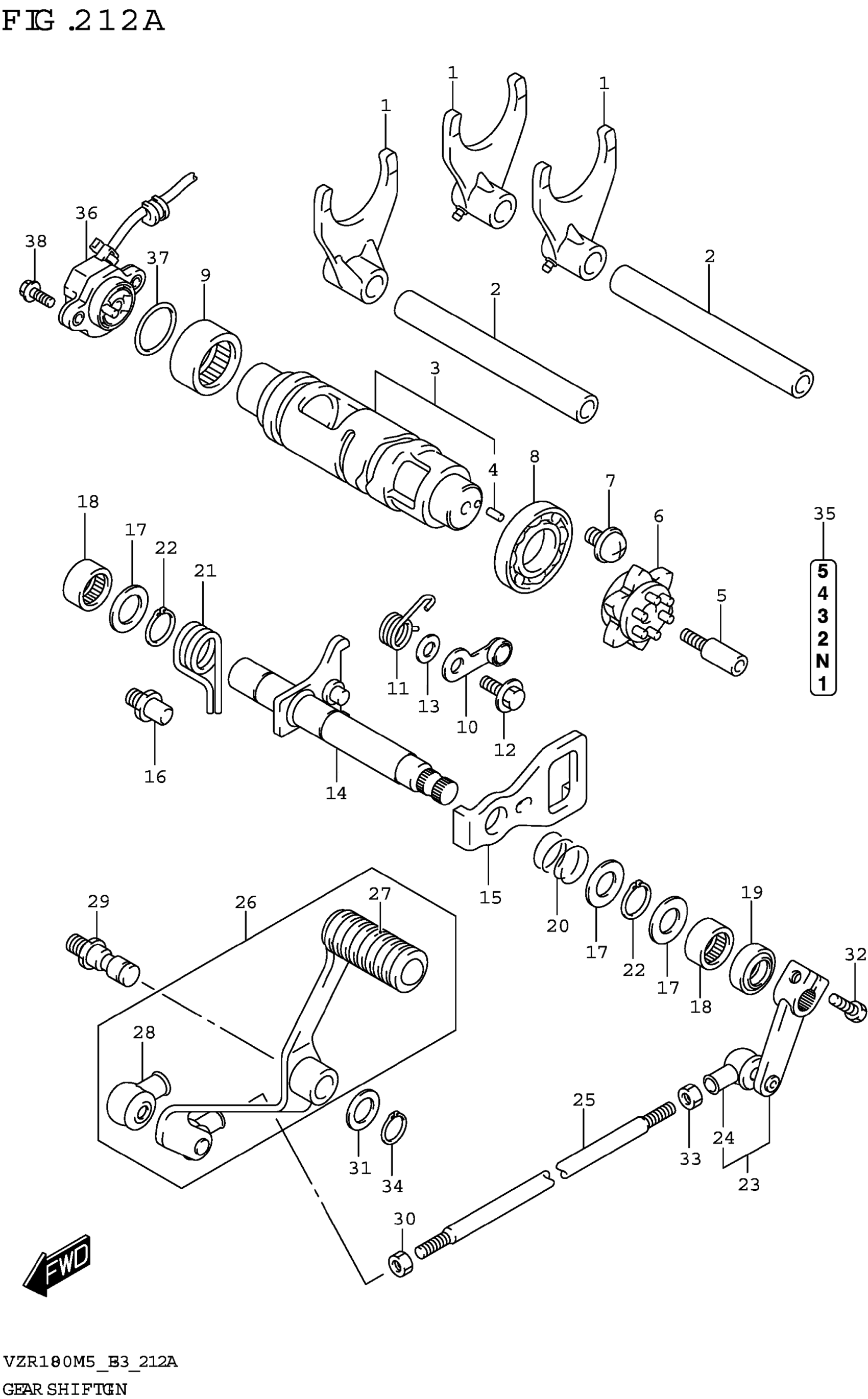
GEAR SHIFTING
Suzuki VZR1800M4 (2025) GEAR SHIFTING Diagram
#
Description
Price
35
LABEL,GEAR SHIFT
68392-38B00
Unavailable
GEAR SHIFTING
#
35
68392-38B00
Unavailable
Edit ride
