Partiron

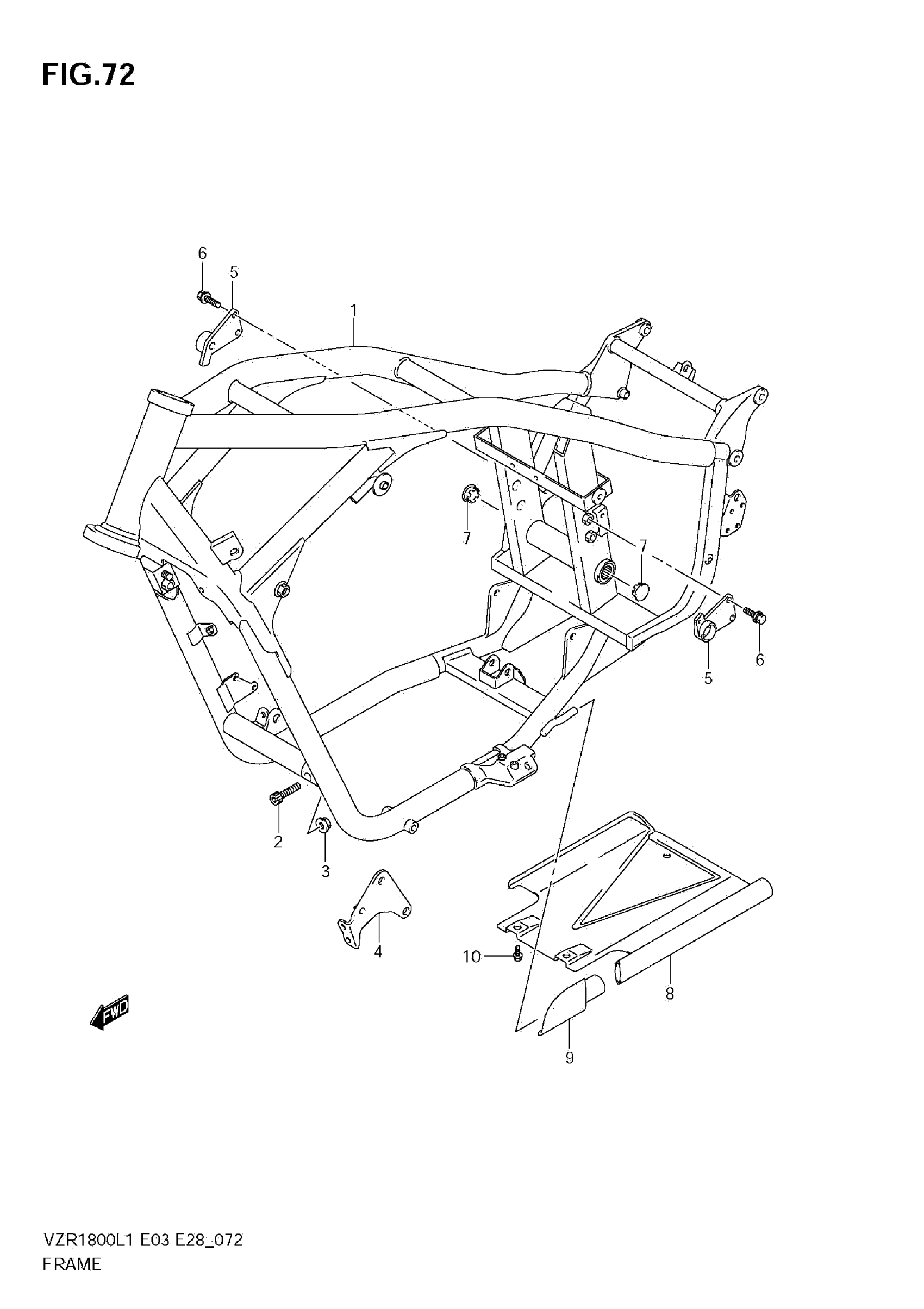
Suzuki VZR1800L1 (2011) FRAME Diagram

#

Description
Price

1

FRAME (BLACK)

41100-48G21-019

Unavailable

2

BOLT

07130-1035B

$5.18

3

NUT

08319-3110A

$2.73

4

PLATE, MOUONT FRONT LH

41920-48G10

$36.88

5

PLATE, MOUNT REAR This part replaces 41931-48G10.

41931-48G20

$111.00

6

BOLT

01580-0830A

$4.32

7

CAP

43585-48G10

$16.78

8

COVER, UNDER

42560-48G00

Unavailable

9

RUBBER

42567-48G00

Unavailable

10

BOLT

01550-0612A

$1.97