- Partiron
- OEM Parts
- Suzuki
- Motorcycle
- 2023
- VZR1800BZM3 (2023)
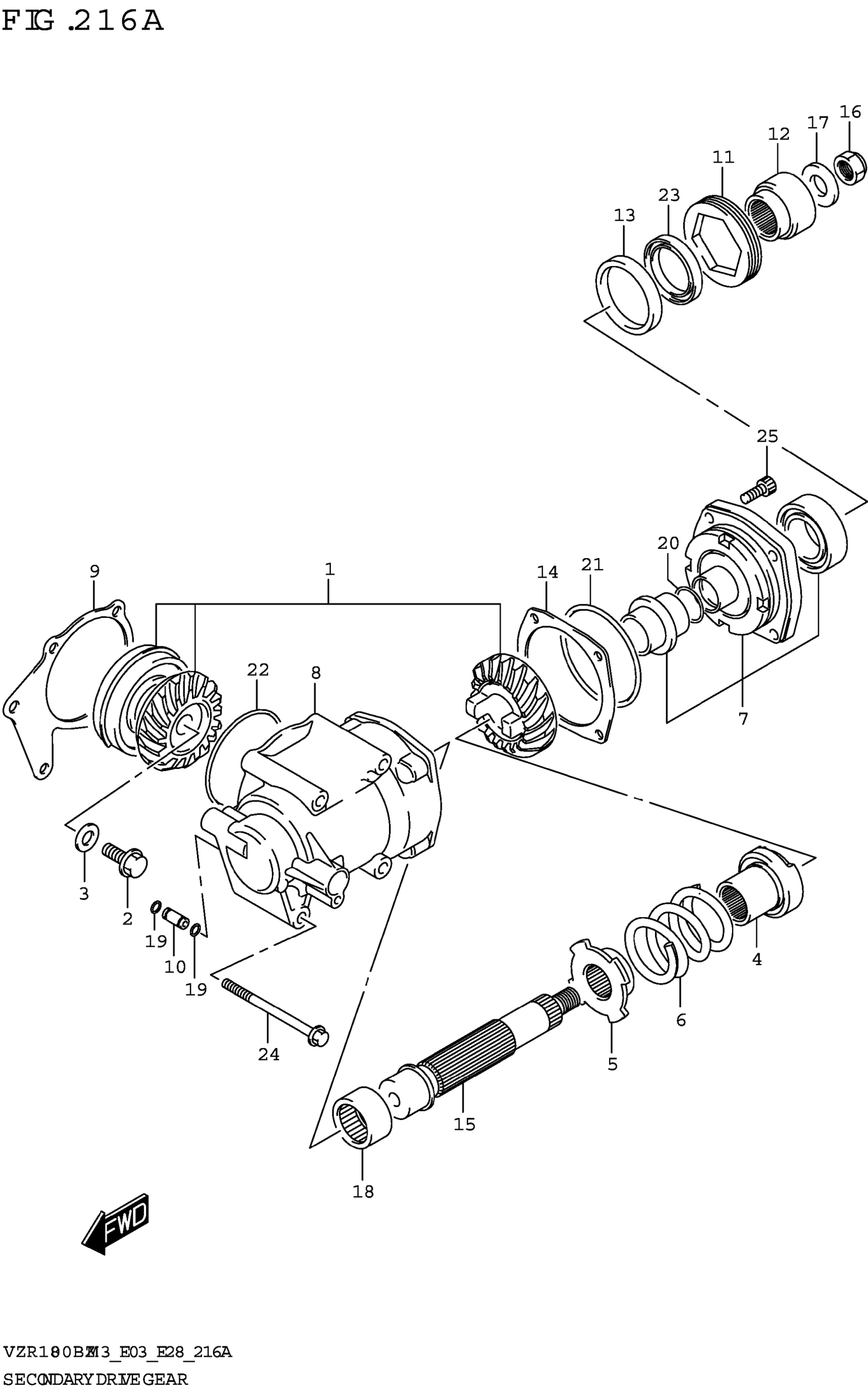
SECONDARY DRIVE GEAR
Suzuki VZR1800BZM3 (2023) SECONDARY DRIVE GEAR Diagram
#
Description
Price
5
STOPPER,CAM SPRING
24924-48G10
Unavailable
10
PIPE,SECONDARY CASE,OIL | 0.65/0.70/0.75/0.80
24940-26D00
Unavailable
