#
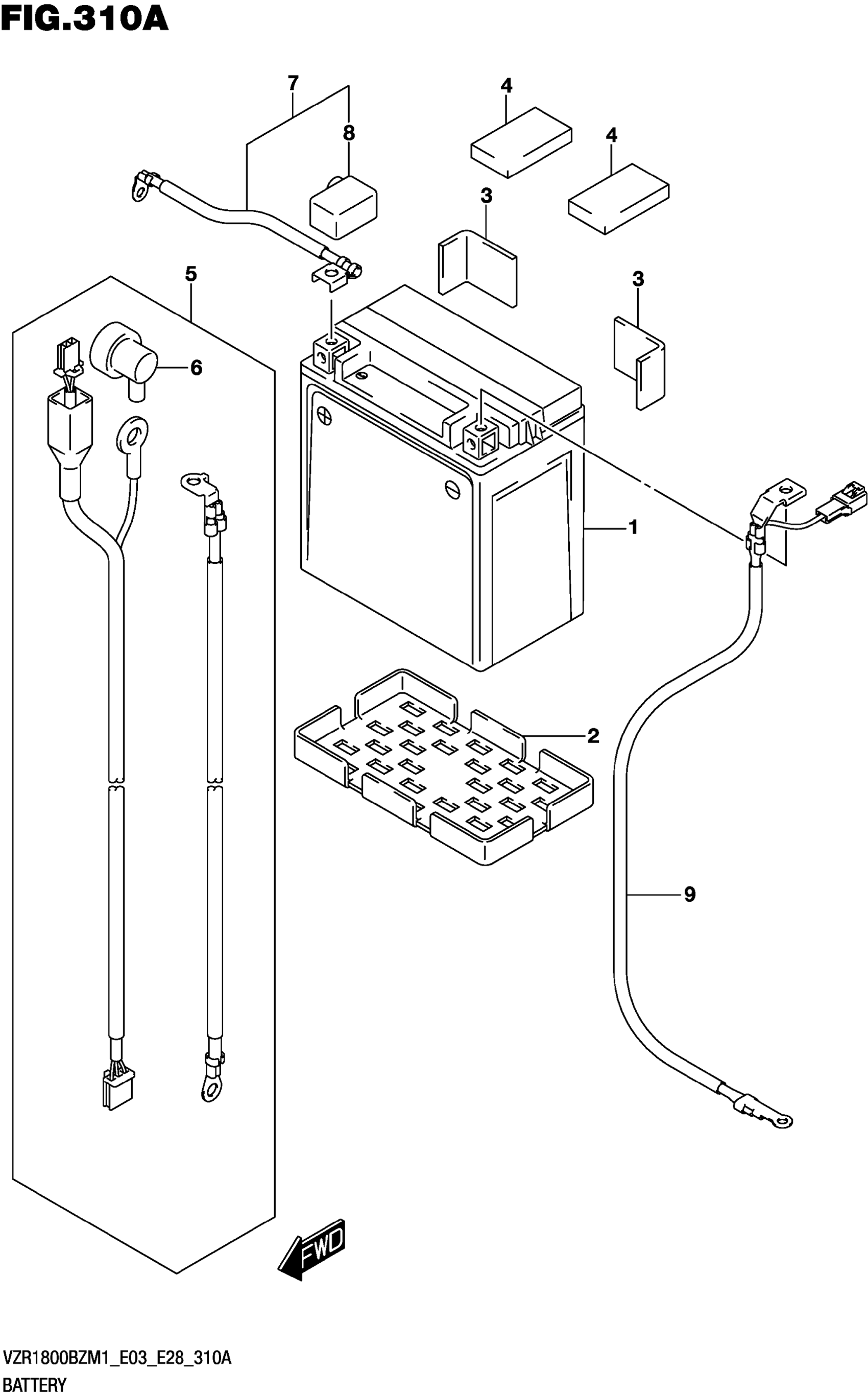
1
33630-31G01-000
Unavailable
2
33652-16G00-000
Unavailable
3
33652-36000-000
Unavailable
4
33652-08420-000
Unavailable
5
33810-48G02-000
Unavailable
6
36618-31J00-000
Unavailable
7
33820-48G01-000
Unavailable
8
33624-10D00-000
Unavailable
9
33860-48G10-000
Unavailable
Edit ride
