Partiron

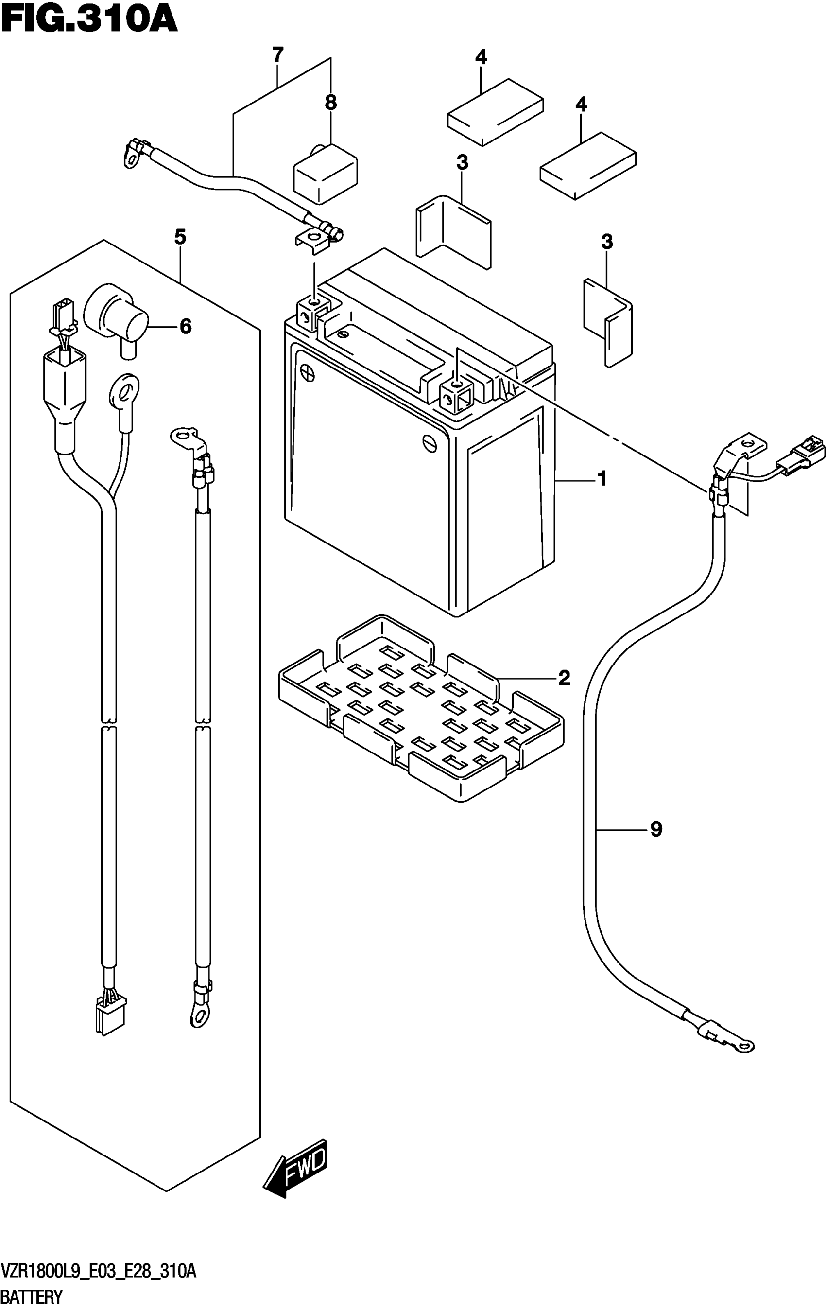
Suzuki VZR1800BZL9 (2019) BATTERY Diagram

#

Description
Price

1

BATTERY ASSY (FTZ16-BS,12V18A

33630-31G01

$214.48

1

BATTERY ASSY (FTZ16-BS,12V18A

33630-31G01

$214.48

2

PROTECTOR,BATTERY

33652-16G00

$11.95

3

CUSHION (30X50X3)

33652-36000

$2.30

4

CUSHION, REAR FENDER REAR | CUT AS REQUIRED This part replaces 33652-08420.

33651-37000

$4.48

5

WIRE,STARTER MOTOR LEAD This part replaces 33810-48G01.

33810-48G02

$75.62

6

.CAP,OIL PRESSURE SWITCH

36618-31J00

Unavailable

7

WIRE,BATTERY PLUS LEAD This part replaces 33820-48G00.

33820-48G01

$32.25

8

.CAP, BATTERY PLUS

33624-10D00

$6.30

9

WIRE,BATTERY MINUS LEAD

33860-48G10

Unavailable