Partiron

Suzuki VZR1800BZL8 (2018) STARTING MOTOR Diagram

#

Description
Price

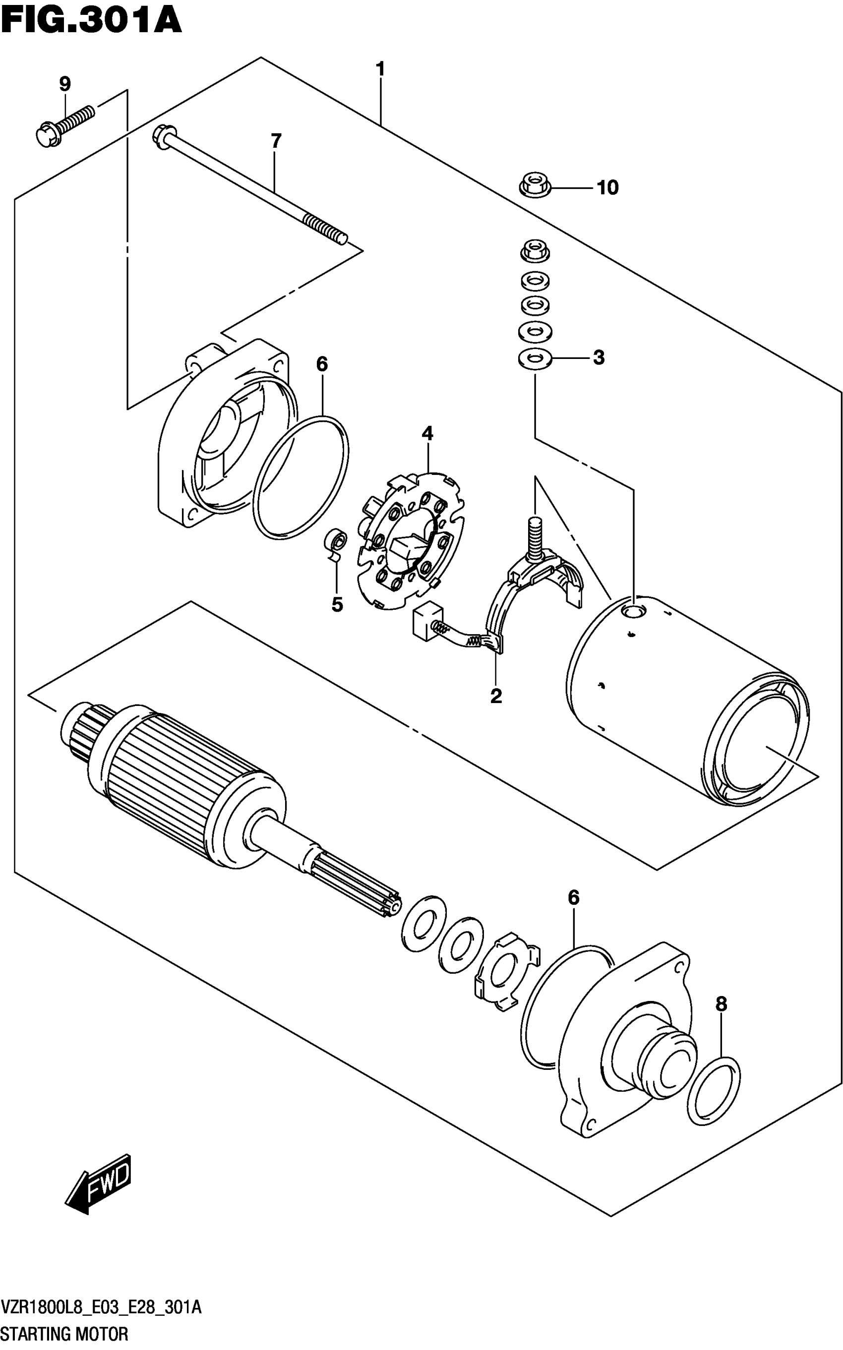
1

MOTOR ASSY,STARTING

31100-48G00

$870.75

2

.TERMINAL SET,BRUSH

31130-38B00

$69.35

3

.O-RING

31143-49040

$3.71

4

.HOLDER SET,BRUSH

31132-38B00

$69.35

5

.SPRING,BRUSH

31135-38B00

$5.40

6

O RING This part replaces 31264-31300.

31264-32E00

$6.68

7

BOLT This part replaces 31281-24B10.

31281-31D00

$8.65

8

.O-RING (D:3,ID:24.5)

09280-24003

$1.55

9

BOLT

01547-0625A

$2.01

10

NUT

08361-3506A

$1.80