Partiron

Suzuki VZR1800BZL7 (2017) OIL COOLER Diagram

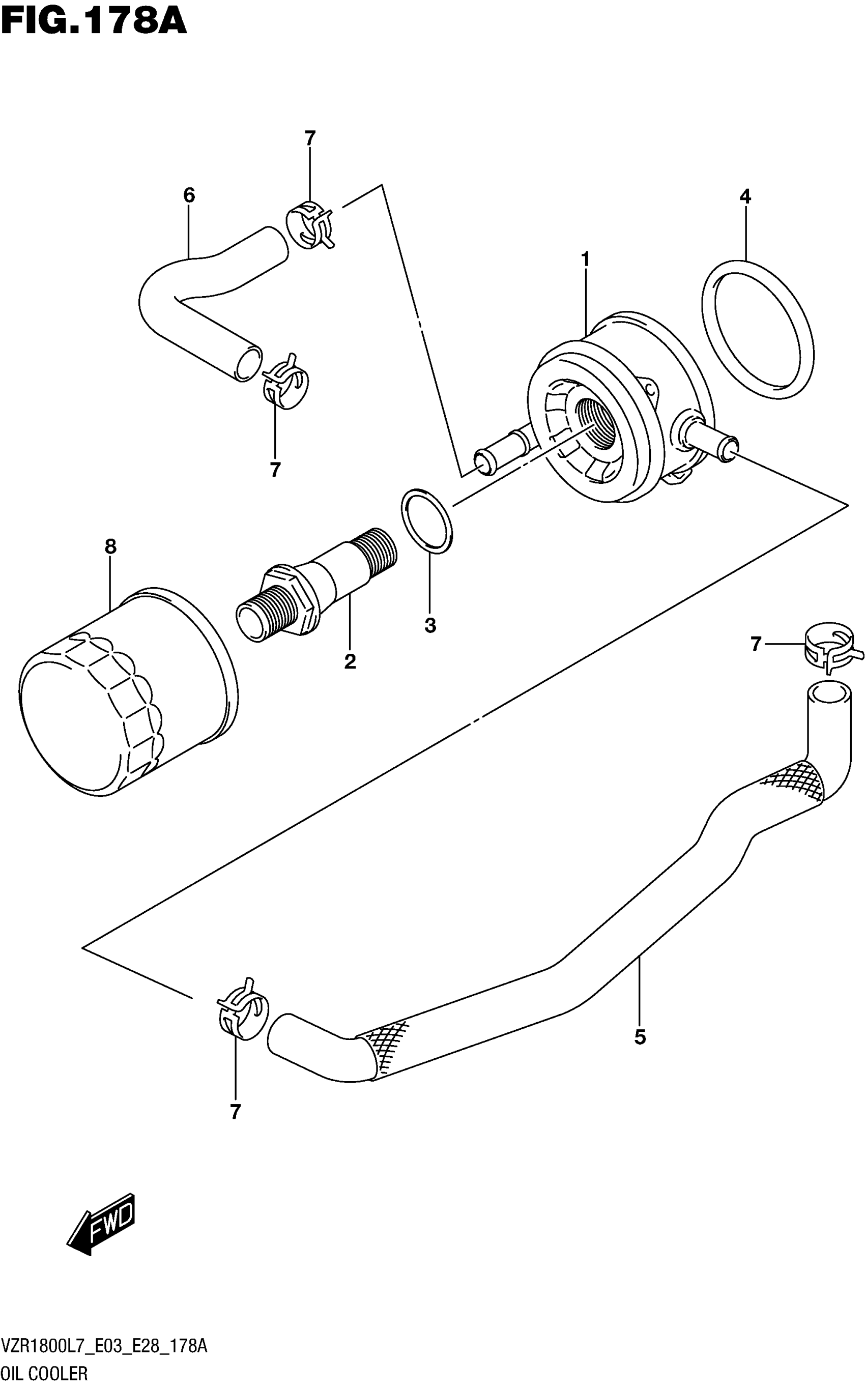
#

Description
Price

1

COOLER ASSY, OIL

16600-48G00

$687.67

2

BOLT, OIL COOLER UNION

16591-49X00

Unavailable

3

SHIM (25X34X0.7)

09181-25160

$2.93

4

O RING (D:3.1,ID:63.9)

09280-64003

$5.64

5

HOSE, OIL COOLER WATER INLET

16461-48G00

$39.98

6

HOSE, OIL COOLER WATER OUTLET

16471-48G00

$16.13

7

CLIP

09401-16407

$2.44

8

FILTER ASSY, ENGINE OIL

16510-07J00

$13.10