Partiron

Suzuki VZR1800BZL5 (2015) STARTING MOTOR Diagram

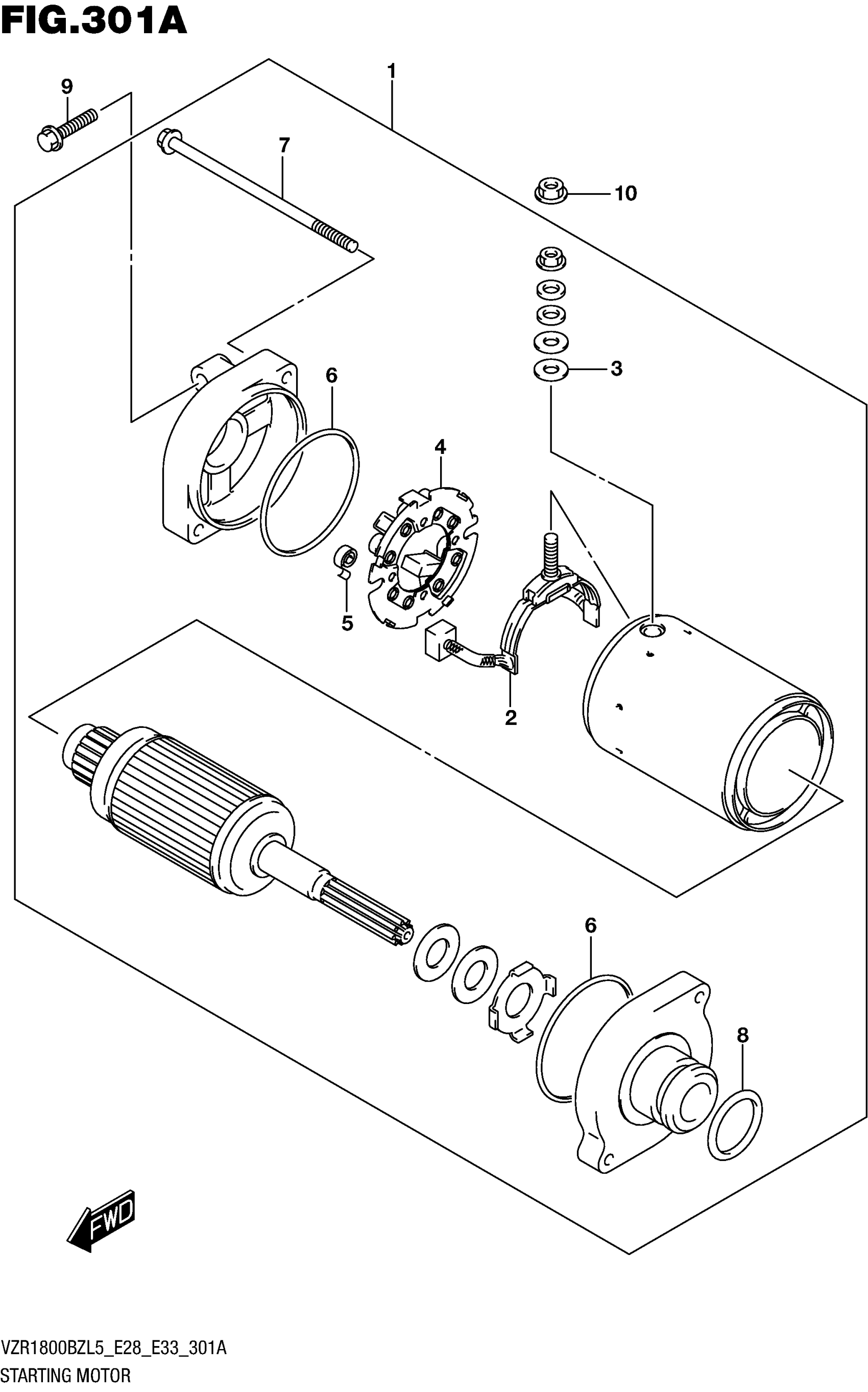
#

Description
Price

1

MOTOR ASSY, STARTING

31100-48G00

$870.75

2

TERMINAL SET, BRUSH

31130-38B00

$69.35

3

O RING

31143-49040

$3.71

4

HOLDER SET, BRUSH

31132-38B00

$69.35

5

SPRING, BRUSH

31135-38B00

$5.40

6

O RING This part replaces 31264-31300.

31264-32E00

$6.68

7

BOLT This part replaces 31281-24B10.

31281-31D00

$8.65

8

.O-RING (D:3,ID:24.5)

09280-24003

$1.55

9

BOLT (6X25)

09103-06212

$2.47

10

NUT

08361-3506A

$1.80