- Partiron
- OEM Parts
- Suzuki
- Motorcycle
- 2015
- VZR1800BZL5 (2015)
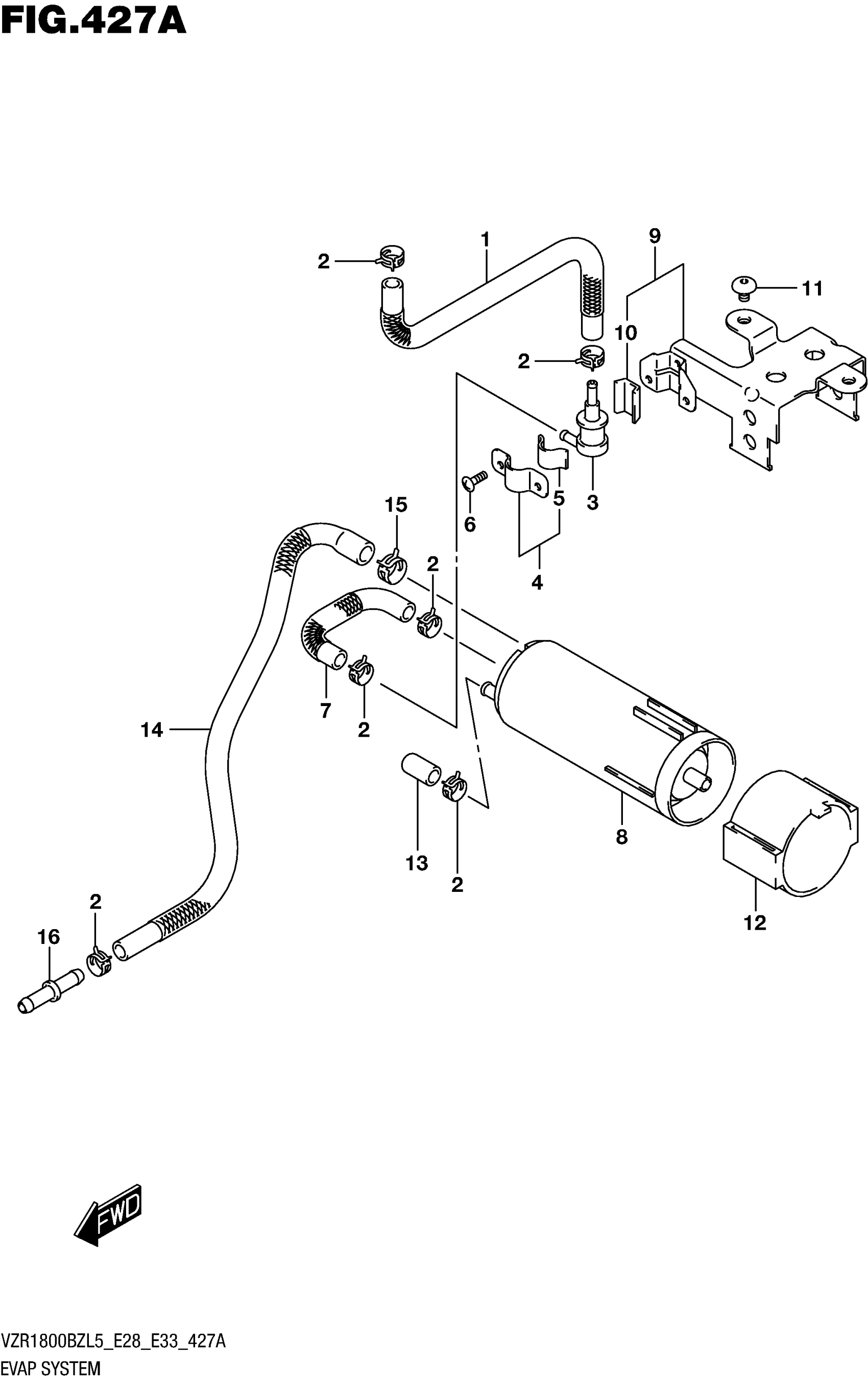
EVAP SYSTEM (VZR1800BZL5 E33)
Suzuki VZR1800BZL5 (2015) EVAP SYSTEM (VZR1800BZL5 E33) Diagram
#
Description
Price
7
HOSE, BRTHR VALVE & CANISTER
44435-48G10
Unavailable
9
BRACKET, CANISTER
44880-48G00
Unavailable
11
SCREW (6X12)
09139-06108
Unavailable
12
CUSHION, CANISTER
44883-48G00
Unavailable
13
CAP
09251-07005
Unavailable
14
HOSE, CANISTER PARGE
44436-48G10
Unavailable
16
JOINT
09367-06009
Unavailable
