- Partiron
- OEM Parts
- Suzuki
- Motorcycle
- 2014
- VZR1800BZL4 (2014)
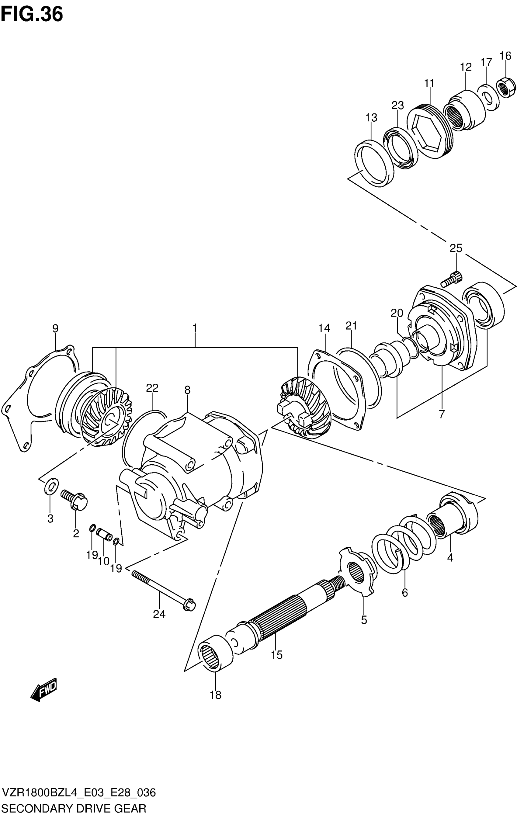
SECONDARY DRIVE GEAR
Suzuki VZR1800BZL4 (2014) SECONDARY DRIVE GEAR Diagram
#
Description
Price
5
STOPPER, CAM SPRING
24924-48G10
Unavailable
10
PIPE, SECONDARY GEAR CASE OIL
24940-26D00
Unavailable
