- Partiron
- OEM Parts
- Suzuki
- Motorcycle
- 2014
- VZR1800BZL4 (2014)
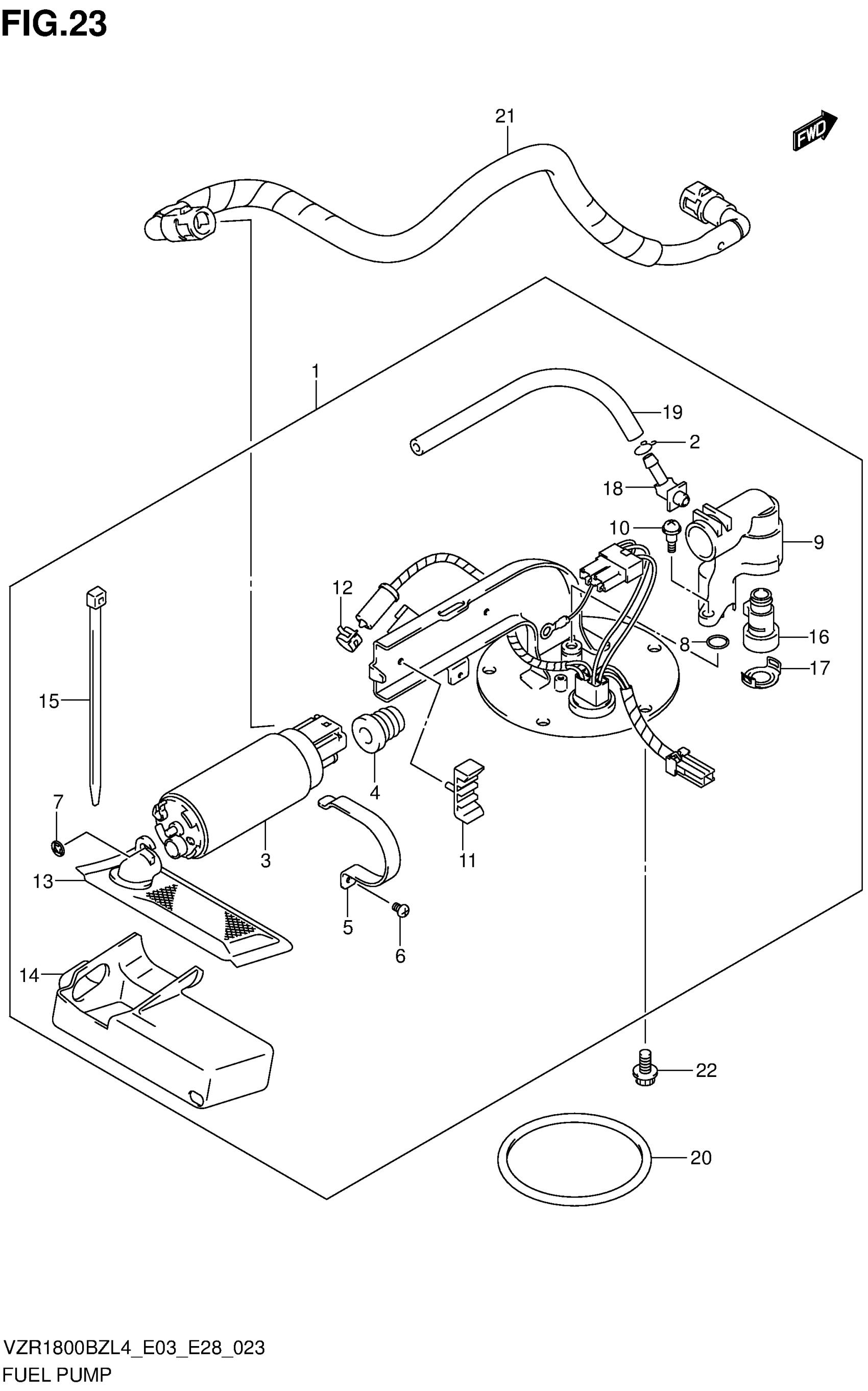
FUEL PUMP
Suzuki VZR1800BZL4 (2014) FUEL PUMP Diagram
#
Description
Price
5
HOLDER
15115-14G00
Unavailable
9
ADAPTER
15131-48G00
Unavailable
10
SCREW
15135-48G00
Unavailable
11
INSULATOR
15141-48G00
Unavailable
12
CLAMP
15175-48G00
Unavailable
17
CLIP
15613-48G00
Unavailable
18
JOINT
15614-48G00
Unavailable
