- Partiron
- OEM Parts
- Suzuki
- Motorcycle
- 2019
- VZ800L9 (2019)
ELECTRICAL (VZ800L9 E03)
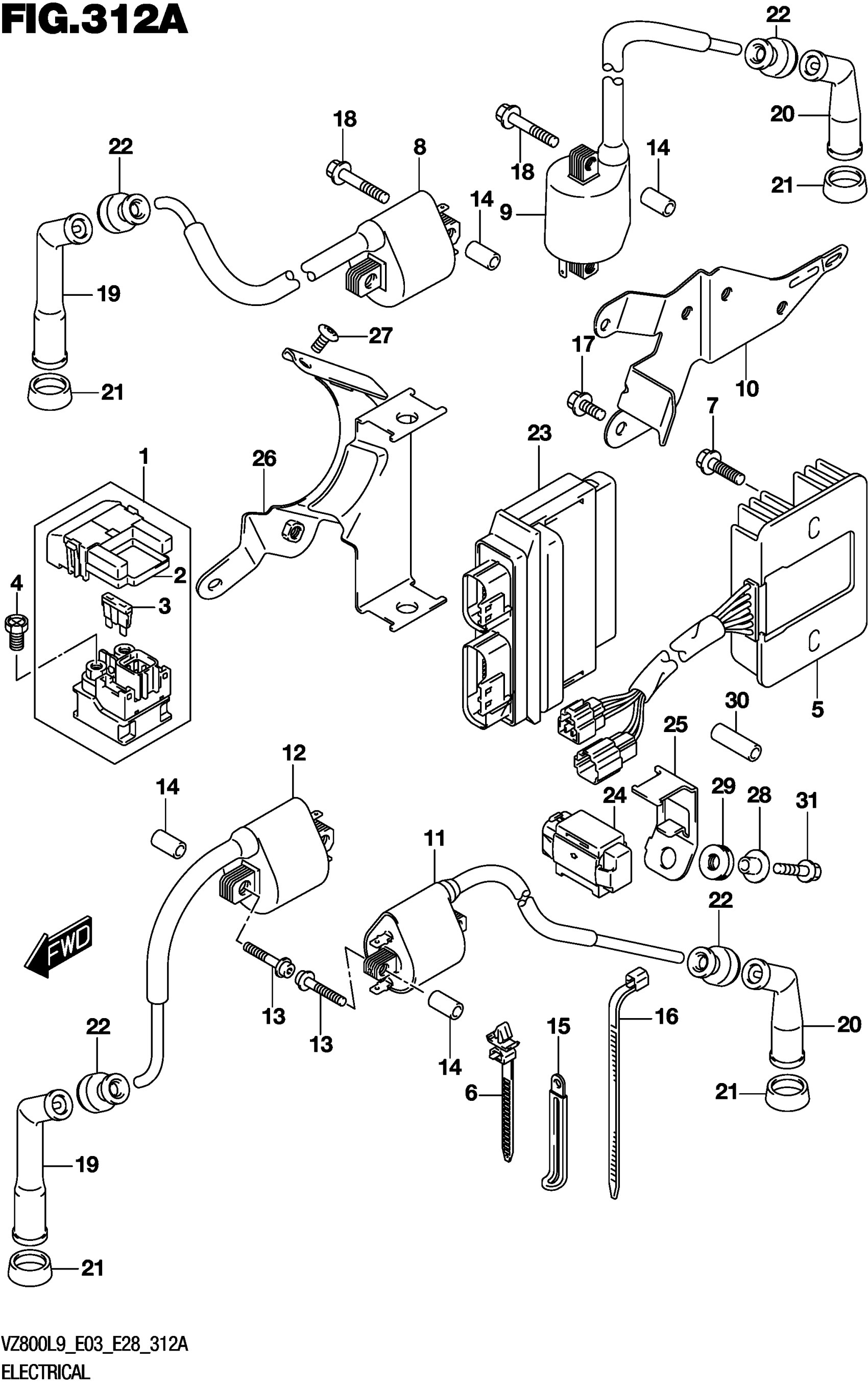
Suzuki VZ800L9 (2019) ELECTRICAL (VZ800L9 E03) Diagram
#
Description
Price
10
BRACKET,IGN COIL REAR
33414-39G00
Unavailable
23
CONTROL UNIT
32920-39GG0
Unavailable
25
BRACKET,FUEL CUT SENSOR
33961-41F00
Unavailable
26
BRACKET,FI CONT UNIT
44880-43H00
Unavailable
27
SCREW (6X12)
09139-06108
Unavailable
