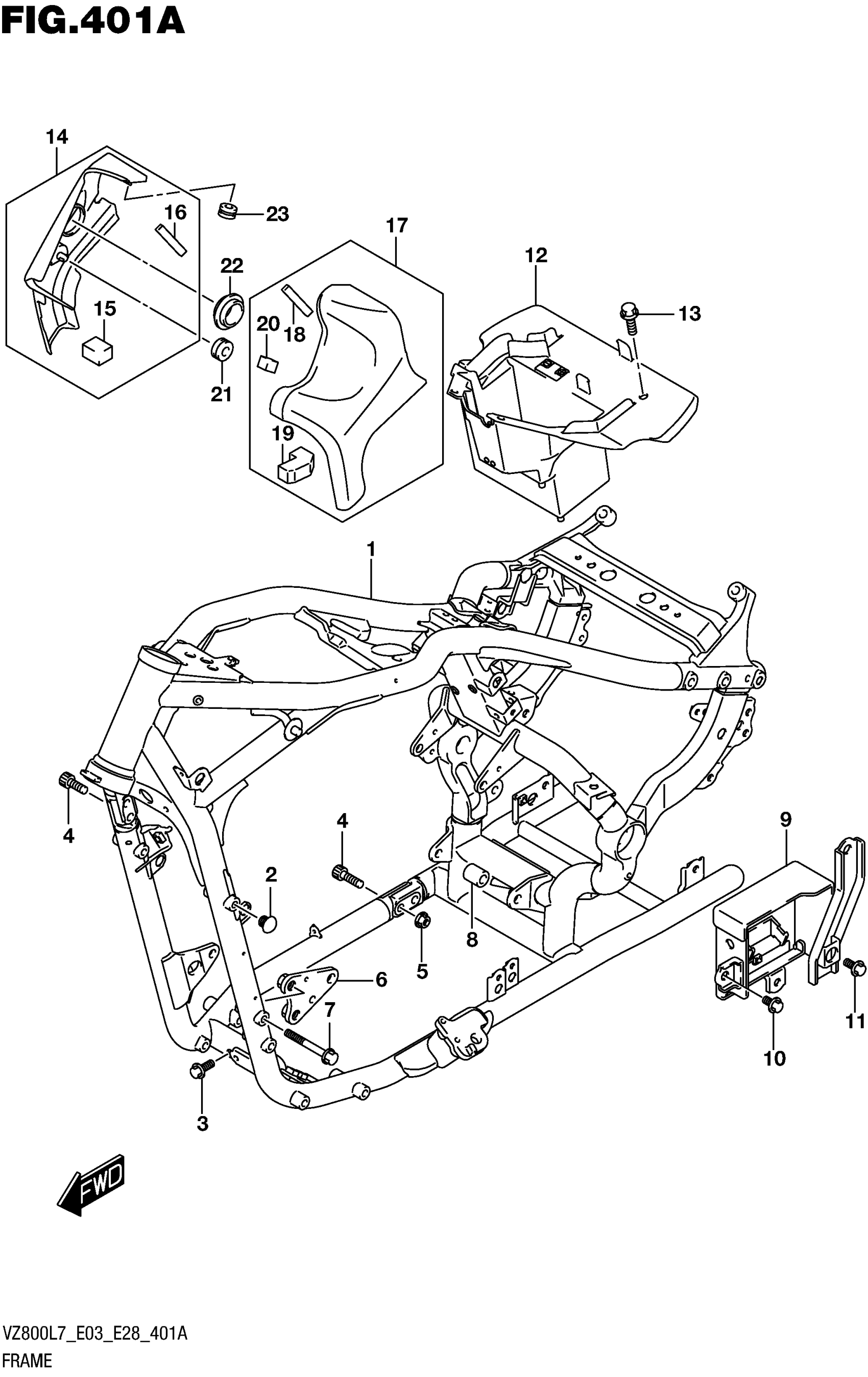
Suzuki VZ800L7 (2017) FRAME Diagram
#
Description
Price
1
FRAME (BLACK)
41100-41F71-019
Unavailable
6
PLATE, ENGINE MOUNT LH
41920-41F00
Unavailable
7
BOLT (8X65)
09112-08013
Unavailable
8
SPACER, LOWER
41941-41F00
Unavailable
9
HOLDER, ELECTRIC PARTS
41540-41F30
Unavailable
12
HOLDER, ELECTRIC PARTS
47410-41F02
Unavailable
