- Partiron
- OEM Parts
- Suzuki
- Motorcycle
- 2016
- VZ800L6 (2016)
ELECTRICAL (VZ800L6 E03)
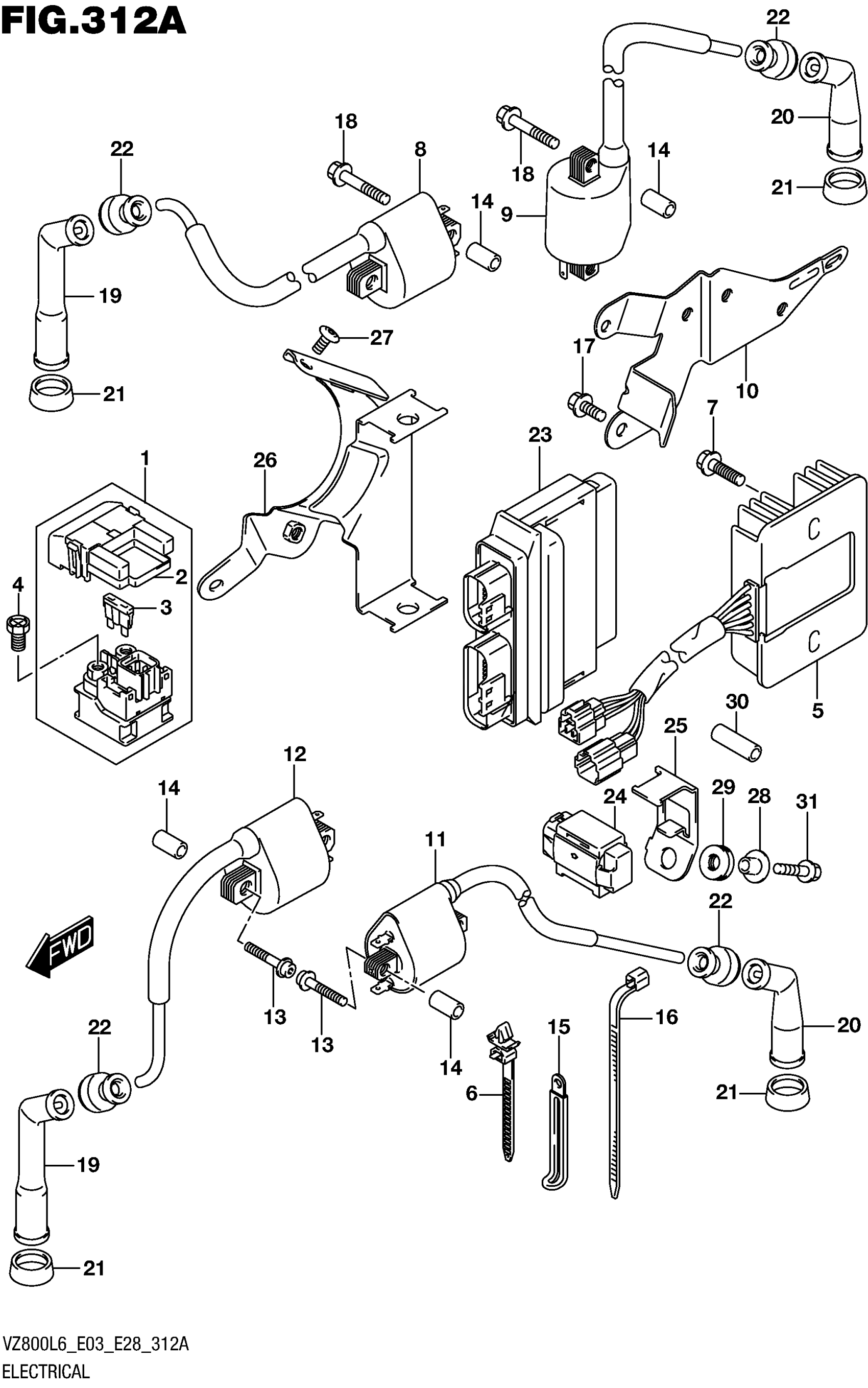
Suzuki VZ800L6 (2016) ELECTRICAL (VZ800L6 E03) Diagram
#
Description
Price
10
BRACKET, IGNITION COIL REAR
33414-39G00
Unavailable
23
CONTROL UNIT, FI
32920-39GG0
Unavailable
25
BRACKET, FUEL CUT SENSOR
33961-41F00
Unavailable
26
BRACKET, FI CONT UNIT
44880-43H00
Unavailable
27
SCREW (6X12)
09139-06108
Unavailable
