- Partiron
- OEM Parts
- Suzuki
- Motorcycle
- 2014
- VZ800L4 (2014)
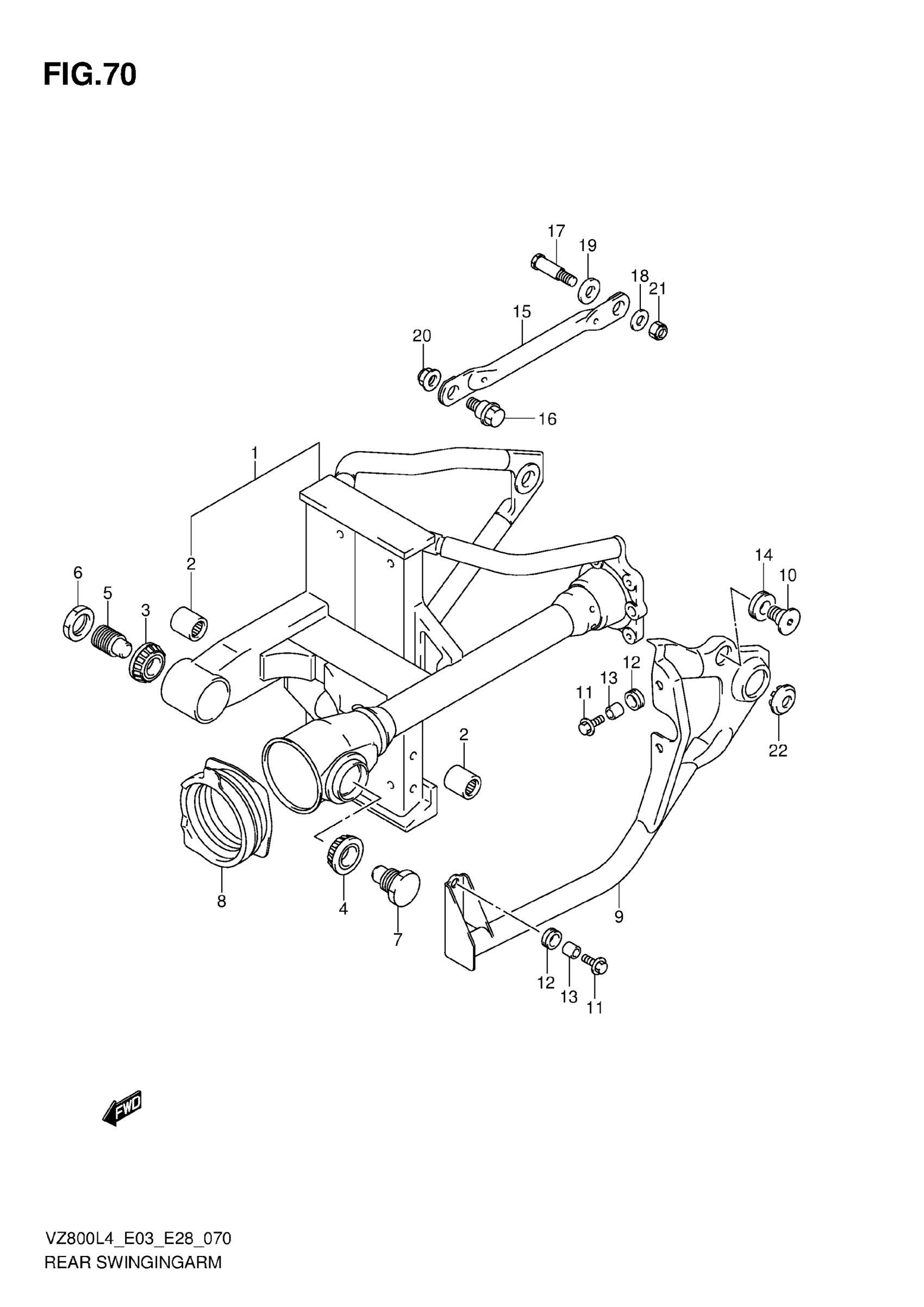
REAR SWINGINGARM
Suzuki VZ800L4 (2014) REAR SWINGINGARM Diagram
#
Description
Price
5
BOLT, PIVOT RH
61213-24A00
Unavailable
7
BOLT, PIVOT LH
61213-10F00
Unavailable
9
COVER LH (BLACK)
61120-41F10-019
Unavailable
