- Partiron
- OEM Parts
- Suzuki
- Motorcycle
- 2013
- VZ800L3 (2013)
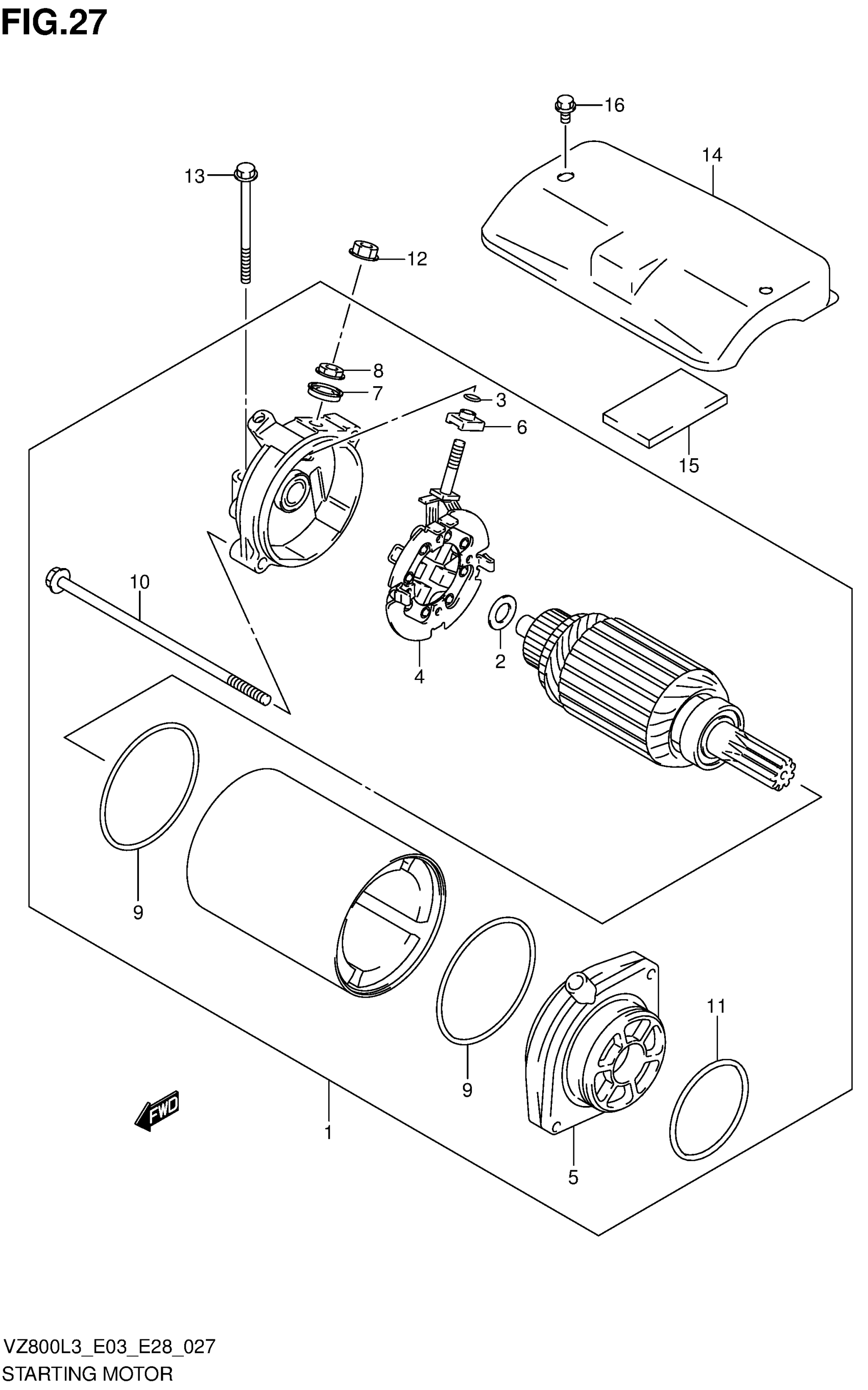
STARTING MOTOR
Suzuki VZ800L3 (2013) STARTING MOTOR Diagram
#
Description
Price
2
SHIM SET
31170-43400
Unavailable
5
BRACKET SET
31150-38A00
Unavailable
7
BUSHING
31173-88C00
Unavailable
15
DAMPER, MOTOR COVER
31212-38A10
Unavailable
16
BOLT
01547-0508A
Unavailable
