- Partiron
- OEM Parts
- Suzuki
- Motorcycle
- 2013
- VZ800L3 (2013)
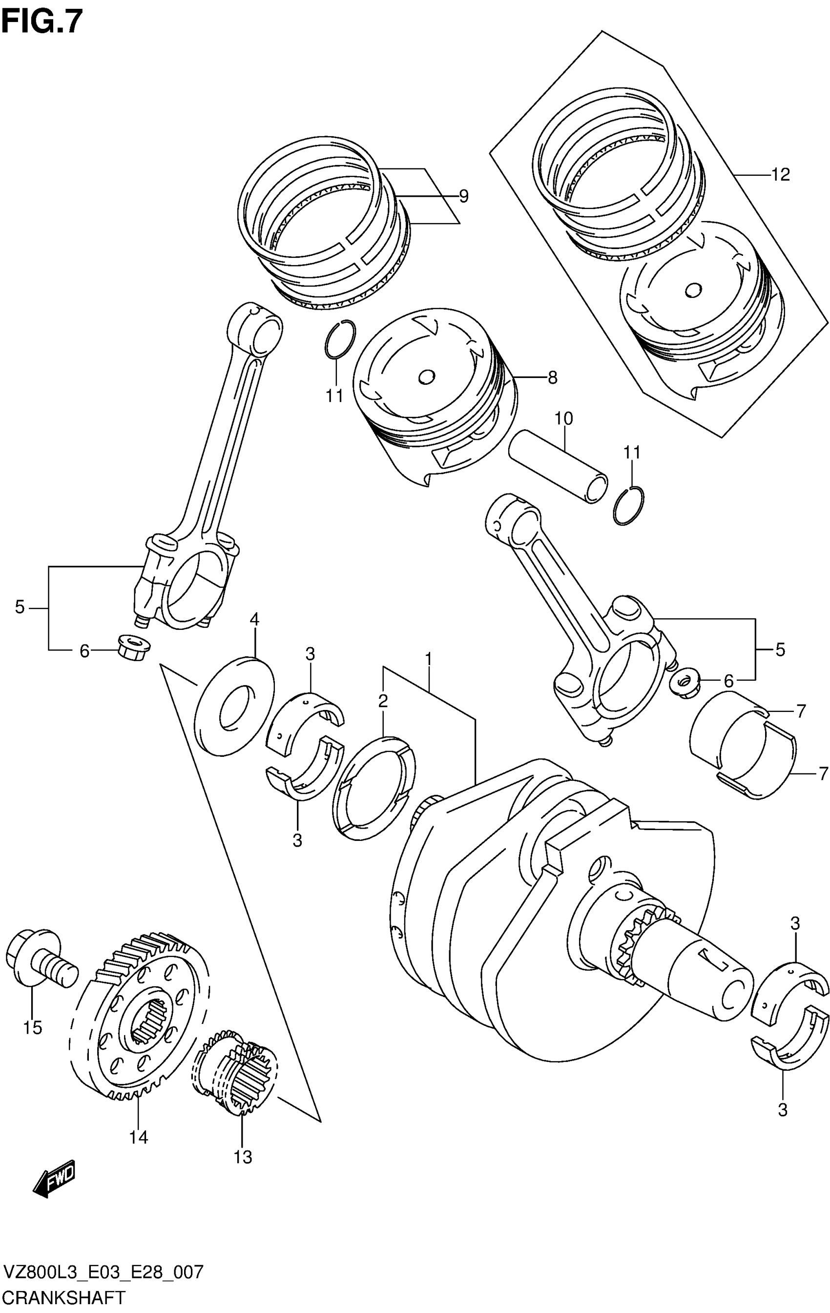
CRANKSHAFT
Suzuki VZ800L3 (2013) CRANKSHAFT Diagram
#
Description
Price
2
WASHER (48.1X64X1.94)
09160-48001
Unavailable
2
WASHER (48.1X64X1.96)
09160-48002
Unavailable
2
WASHER (48.1X64X1.99)
09160-48003
Unavailable
2
WASHER (48.1X64X2.01)
09160-48004
Unavailable
2
WASHER (48.1X64X2.04)
09160-48005
Unavailable
2
WASHER (48.1X64X2.09)
09160-48007
Unavailable
2
WASHER (48.1X64X2.11)
09160-48008
Unavailable
2
WASHER (48.1X64X2.14)
09160-48009
Unavailable
14
GEAR, PRIMARY DRIVE (NT:42)
21111-38A00
Unavailable
