- Partiron
- OEM Parts
- Suzuki
- Motorcycle
- 2018
- VZ1500L8 (2018)
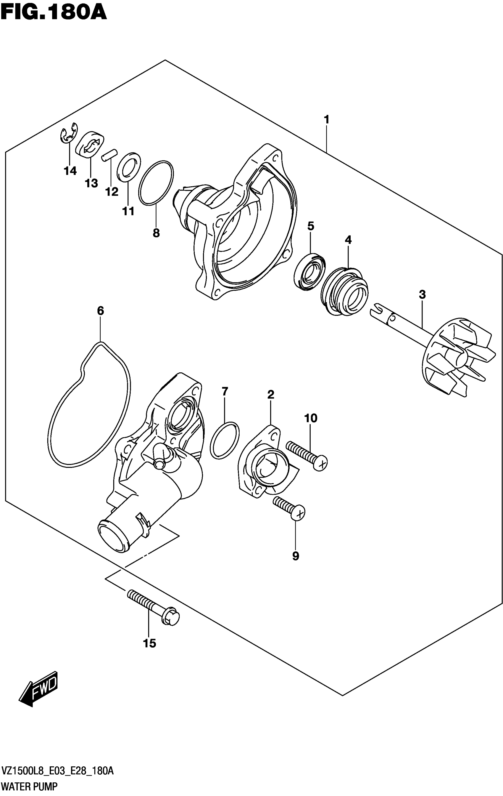
WATER PUMP
Suzuki VZ1500L8 (2018) WATER PUMP Diagram
#
Description
Price
2
.CONNECTOR
17412-40H00
Unavailable
3
.IMPELLER
17491-40H00
Unavailable
10
SCREW
02112-0635A
Unavailable
13
.CAP
17432-11H00
Unavailable
