- Partiron
- OEM Parts
- Suzuki
- Motorcycle
- 2018
- VZ1500L8 (2018)
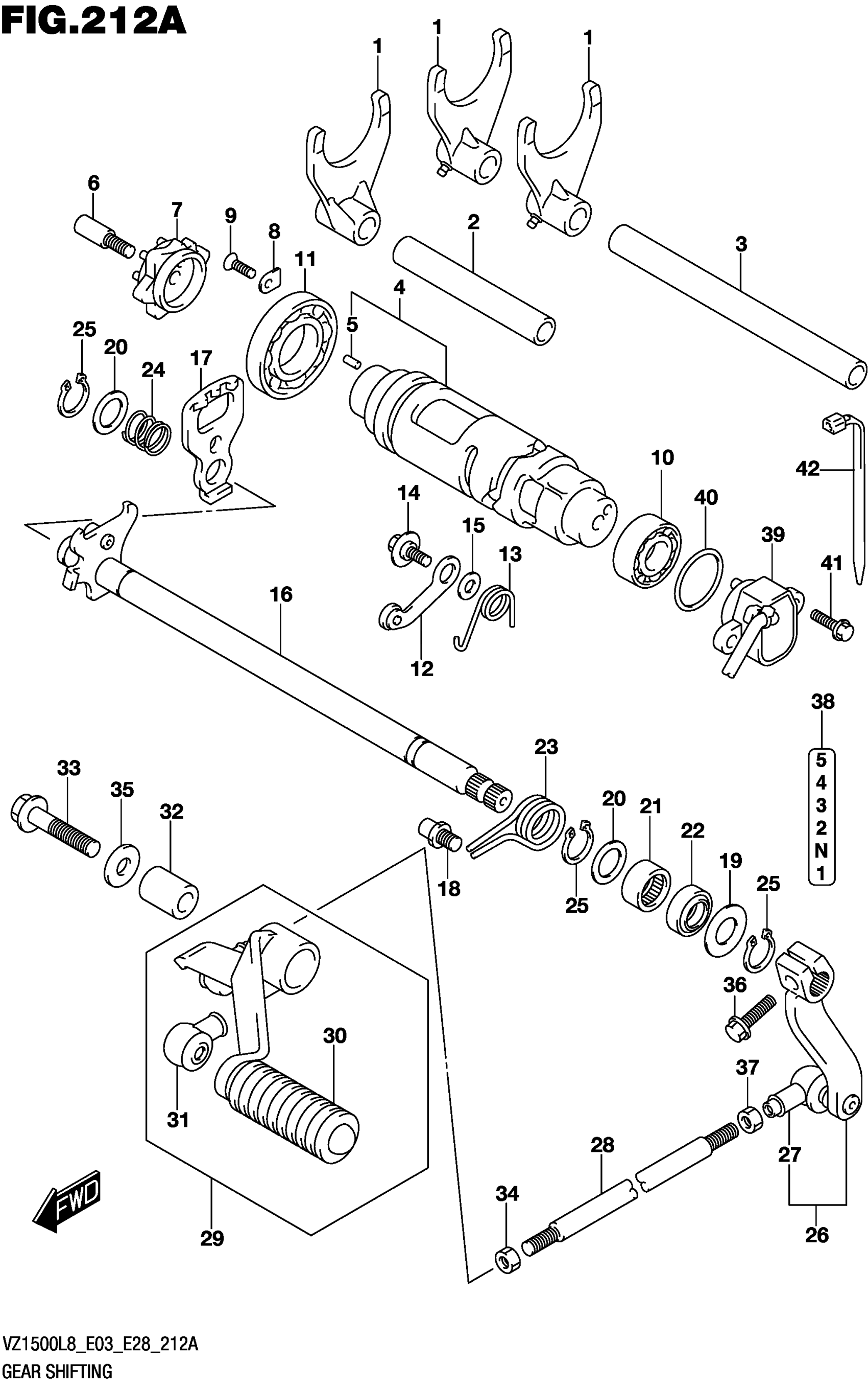
GEAR SHIFTING
Suzuki VZ1500L8 (2018) GEAR SHIFTING Diagram
#
Description
Price
16
SHAFT
25510-40H00
Unavailable
38
LABEL,GEAR SHIFT
68392-38B00
Unavailable
