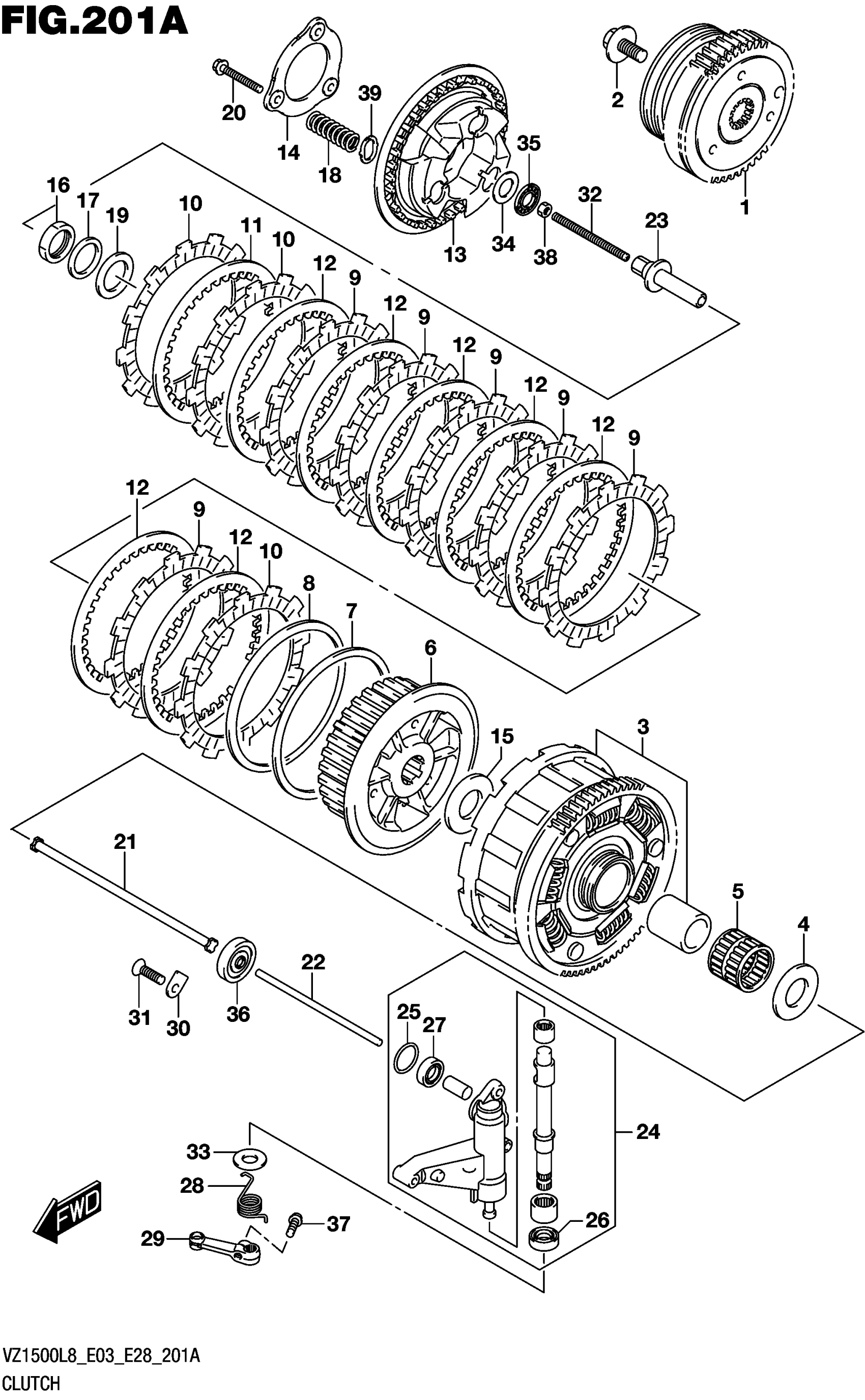
Suzuki VZ1500L8 (2018) CLUTCH Diagram
#
Description
Price
22
ROD
23111-40H00
Unavailable
24
CAMSHAFT SET
23120-41810
Unavailable
#
22
23111-40H00
Unavailable
24
23120-41810
Unavailable
Edit ride
