Partiron

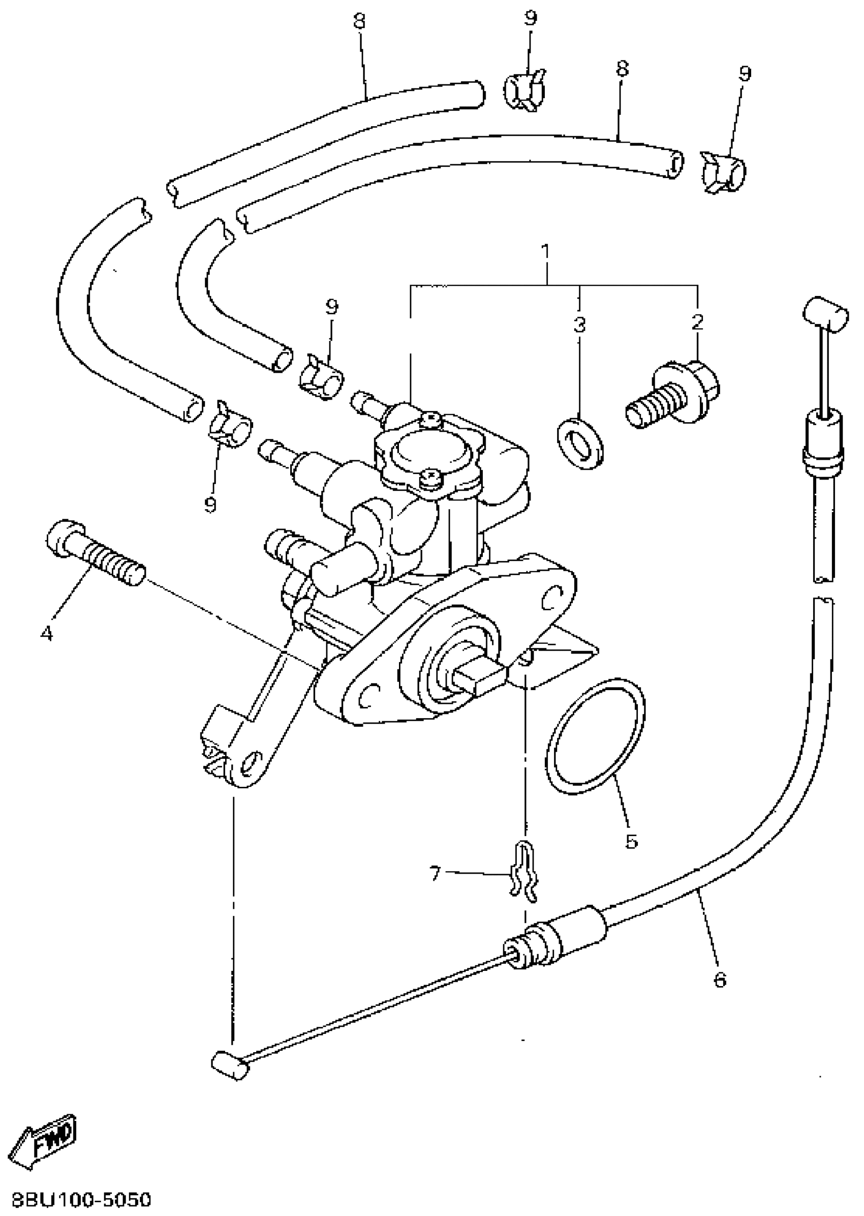
Yamaha VX800V (VMAX-4 800) 8BU1 1995 OIL PUMP Diagram

#

Description
Price

1

OIL PUMP ASSY

89A-13100-03-00

Unavailable

2

BOLT, BREATHER

89A-13185-00-00

Unavailable

3

. GASKET, BREATHER BOLT

89A-13187-00-00

Unavailable

4

SCREW, PAN HEAD

98507-05014-00

$8.49

5

O-RING(3SB)

93210-20712-00

$4.29

6

PUMP CABLE ASSEMBLY

89A-26320-01-00

Unavailable

7

CIRCLIP (2A6)

90468-08086-00

$7.49

8

TUBE, FLEXIBLE VINYL(8AV)

91A30-03039-00

$10.49

9

CLIP (2A6)

90468-02025-00

$9.49