- Partiron
- OEM Parts
- Suzuki
- Motorcycle
- 1993
- VX800P (1993)
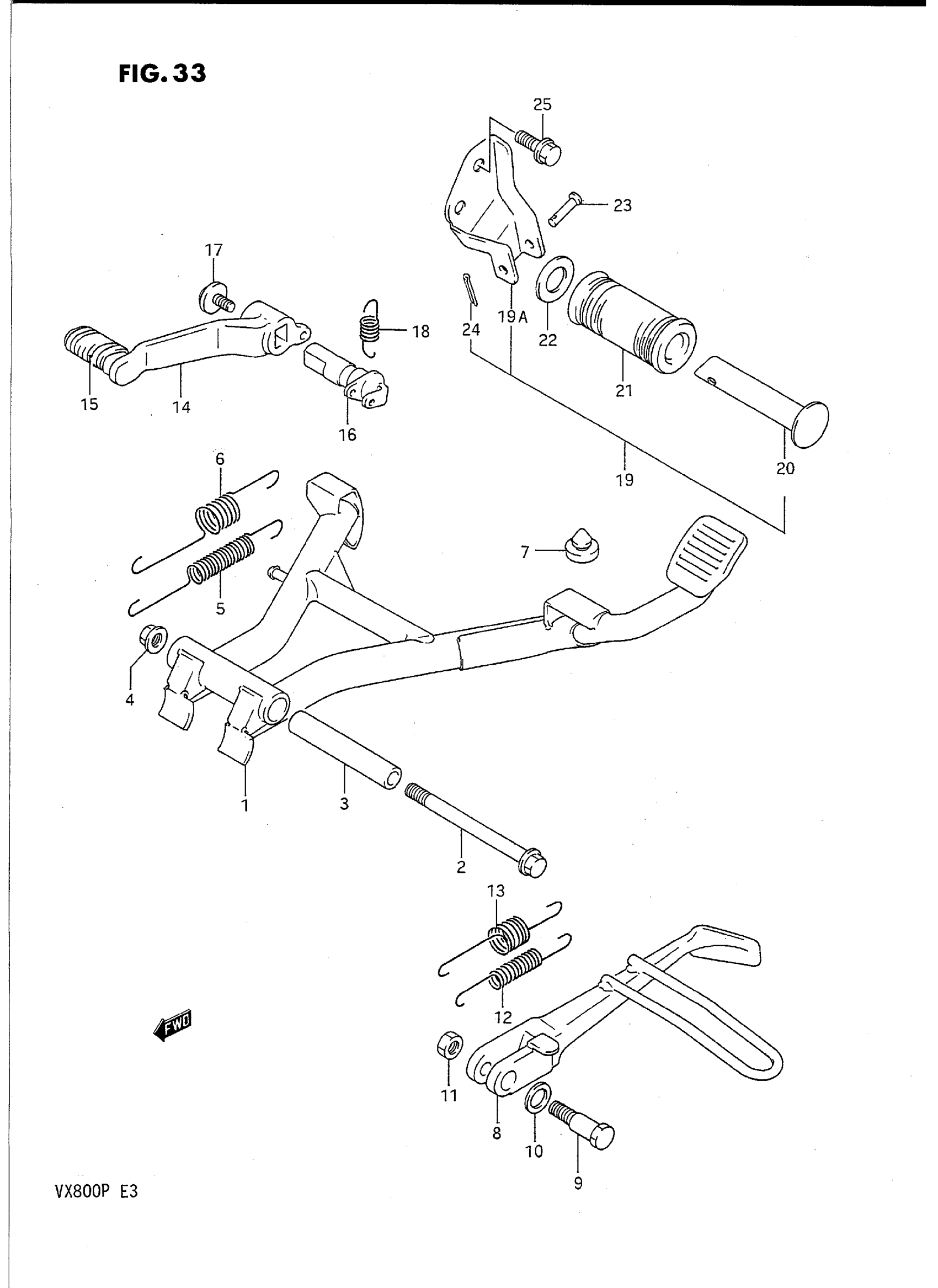
STAND - REAR BRAKE
Suzuki VX800P (1993) STAND - REAR BRAKE Diagram
#
Description
Price
1
STAND, CENTER
42100-45C00
Unavailable
3
NO DESCRIPTION AVAILABLE | MODEL L/M This part replaces 42191-45C00.
09180-10064
Unavailable
3
NO DESCRIPTION AVAILABLE | MODEL N/P This part replaces 42191-45C01.
09180-10064
Unavailable
5
NO DESCRIPTION AVAILABLE This part replaces 09443-15045.
09443-15045-XC0
Unavailable
8
STAND, PROP | MODEL L This part replaces 42310-45C00.
42310-45C20
Unavailable
8
STAND, PROP | MODEL M This part replaces 42310-45C01.
42310-45C20
Unavailable
8
STAND, PROP | MODEL N/P
42310-45C20
Unavailable
12
SPRING This part replaces 09443-15044.
09443-15044-XC0
Unavailable
13
SPRING, OUTER
09443-22015
Unavailable
14
PEDAL, BRAKE
43110-45C00
Unavailable
16
ARM, BRAKE PEDAL
43120-45C00
Unavailable
18
SPRING, RETURN
09443-15043
Unavailable
19
GRIP ASSY, CENTER STAND | OPT; Includes Item(s) 19A - 25
43900-45810
Unavailable
19A
HOLDER | OPT
43990-45C00
Unavailable
20
BAR | OPT
43610-44000
Unavailable
21
RUBBER | OPT
43995-45C00
Unavailable
