- Partiron
- OEM Parts
- Suzuki
- Motorcycle
- 1993
- VX800P (1993)
REAR COMBINATION LAMP
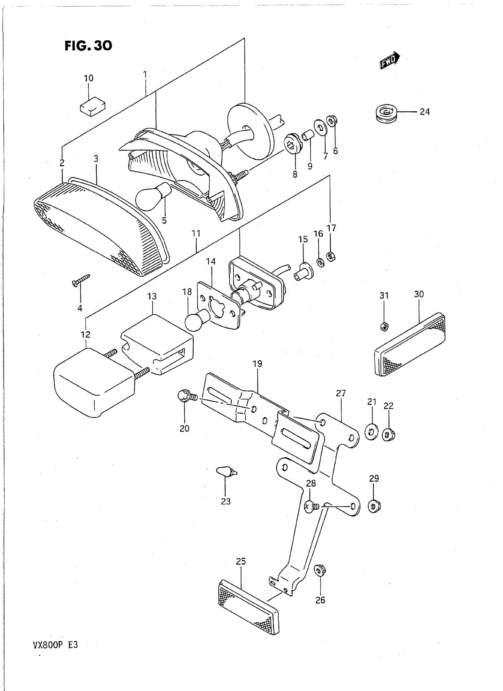
Suzuki VX800P (1993) REAR COMBINATION LAMP Diagram
#
Description
Price
1
LAMP ASSY, REAR COMBINATION | Includes Item(s) 2 - 5
35710-45C10
Unavailable
10
CUSHION, UPPER
35733-45C00
Unavailable
11
LAMP ASSY, LICENSE | MODEL L/M This part replaces 35910-45C10.
35910-24B30-999
Unavailable
11
LAMP ASSY, LICENSE | MODEL N/P; Includes Item(s) 12 - 18 This part replaces 35910-24B00-999.
35910-24B30-999
Unavailable
12
COVER, LICENSE LAMP | MODEL L/M This part replaces 35917-38A30.
35917-38A20
Unavailable
12
COVER, LAMP | MODEL N/P
35917-38A20
Unavailable
23
CUSHION
09321-05005
Unavailable
25
REFLECTOR, REAR This part replaces 35970-00A21.
35970-00A10
Unavailable
27
BRACKET, REAR
35974-45C00
Unavailable
30
REFLECTOR, REAR | MODEL M/N/P This part replaces 35970-00A21.
35970-00A10
Unavailable
