- Partiron
- OEM Parts
- Yamaha
- snowmobile
- 1992
- VX750S (VMAX-4) 1992
WATER PUMP
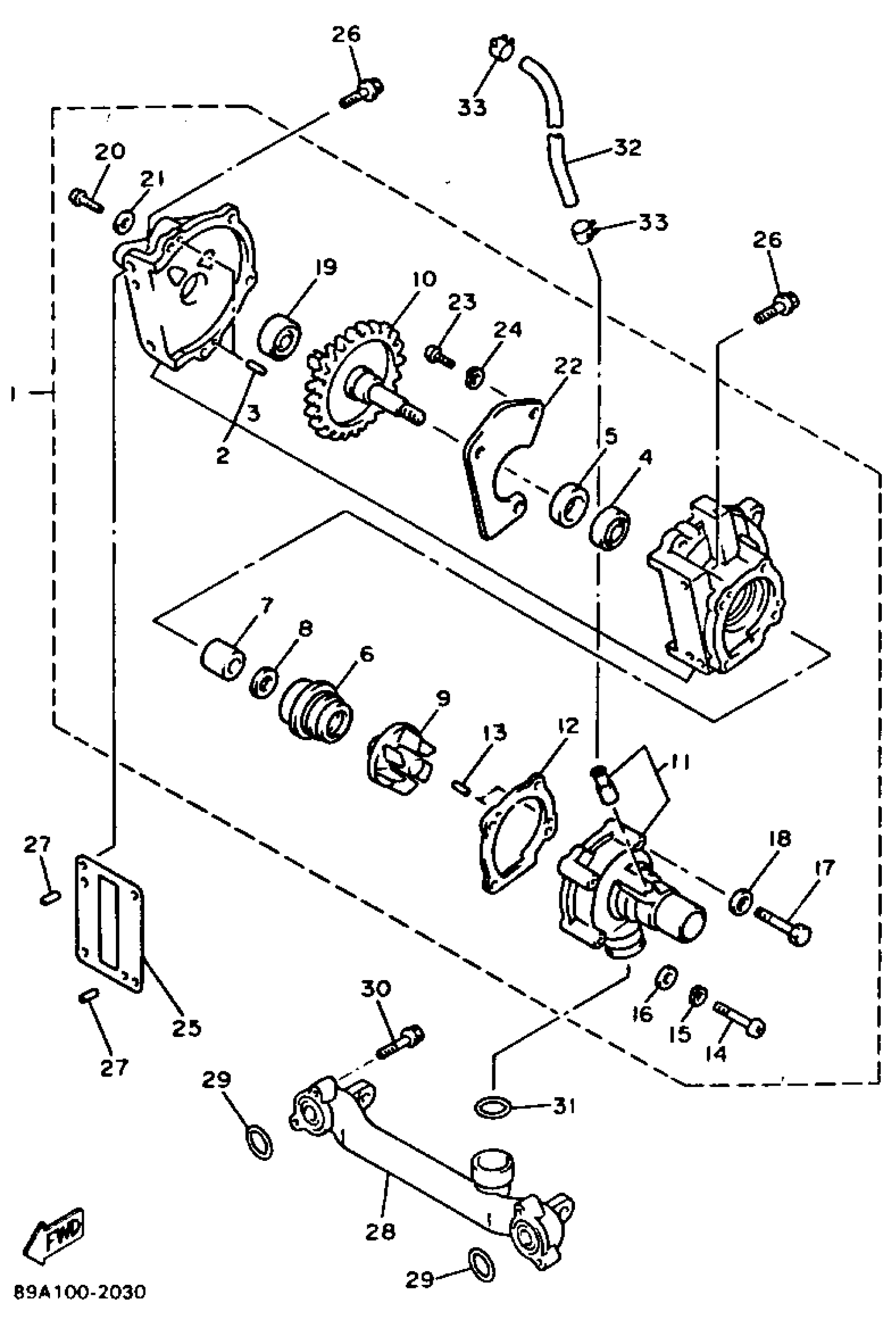
Yamaha VX750S (VMAX-4) 1992 WATER PUMP Diagram
#
1
WATER PUMP ASSEMBLY
89A-12420-00-00
Unavailable
2
. HOUSING, WATER PUMP
89A-W1247-00-00
Unavailable
5
. OIL SEAL
93101-19159-00
Unavailable
6
SEAL, MECHANICAL
82M-12438-00-00
Unavailable
7
STOPPER
82M-12437-00-00
Unavailable
8
WASHER, PLATE 2562171800
90201-08088-00
Unavailable
9
. IMPELLER, WATER PUMP
89A-12451-00-00
Unavailable
10
. IMPELLER SHAFT ASSEMBLY
89A-12450-00-00
Unavailable
11
. COVER, HOUSING
89A-W1241-00-00
Unavailable
12
. GASKET, HOUSING COVER 1
89A-12427-00-00
Unavailable
14
SCREW, PAN HEAD(6H4)
97885-06035-00
Unavailable
15
WASHER, SPRING
92995-06100-00
Unavailable
16
WASHER, PLAIN (646)
92990-06600-00
Unavailable
17
BOLT, FLANGE
95817-06035-00
Unavailable
18
GASKET (4V2)
90430-06166-00
Unavailable
19
BRG,R-B 6001 28MM 28G KY
93306-00105-00
Unavailable
20
SCREW PAN HEAD
98580-06020-00
Unavailable
21
WASHER, PLAIN (646)
92990-06600-00
Unavailable
22
. PLATE
89A-12535-00-00
Unavailable
23
SCREW,PAN HEAD (646)
98580-05012-00
Unavailable
24
YBS67-5 WASHER, SPRING
92990-05100-00
Unavailable
25
GASKET, WATER PUMP
89A-12449-00-00
Unavailable
26
BOLT, FLANGE
95817-06020-00
Unavailable
27
PIN STRAIGHT 257185520000
90250-06013-00
Unavailable
28
JOINT 1
89A-12469-00-00
Unavailable
29
O-RING(1KT)
93210-27778-00
Unavailable
30
BOLT, FLANGE(4KG)
95024-06025-00
Unavailable
31
O-RING (169)
93210-25071-00
Unavailable
32
HOSE 1
89A-1243A-00-00
Unavailable
33
CLIP (7K7)
90467-11044-00
Unavailable
