Partiron

Yamaha VX750S (VMAX-4) 1992 TRACK DRIVE 1 Diagram

#

Description
Price

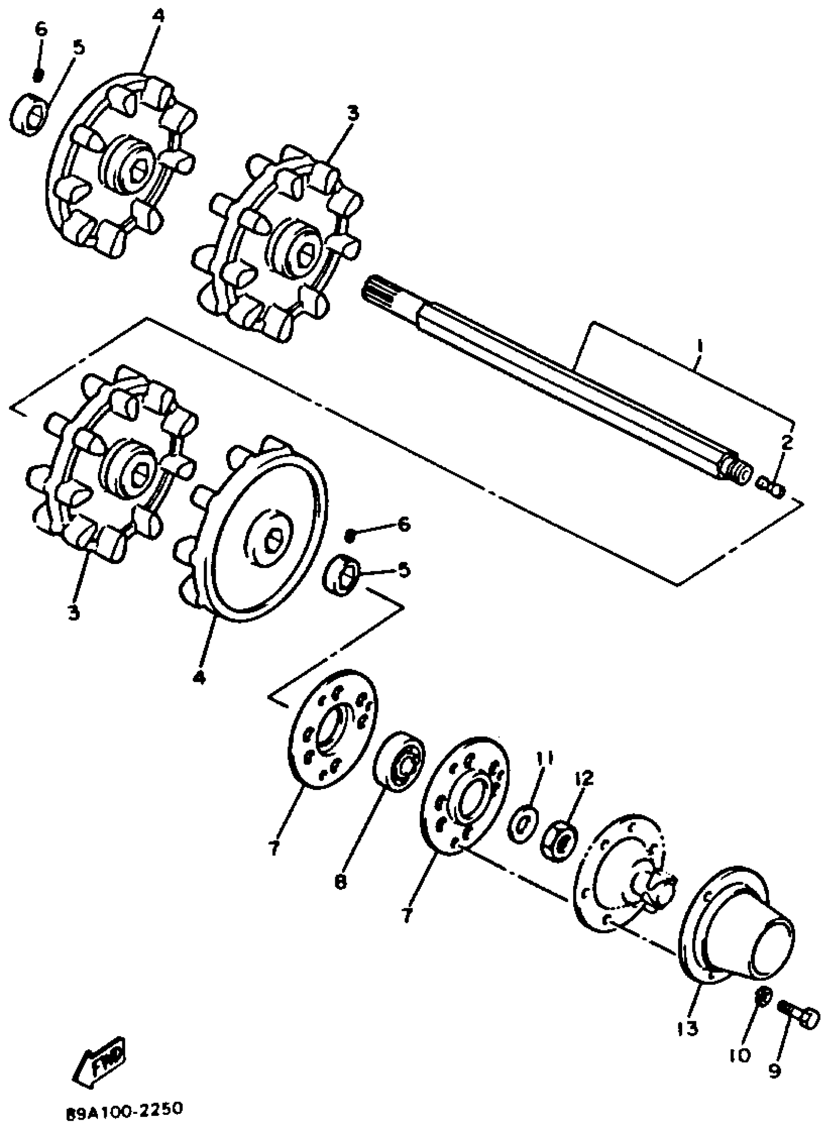
1

AXLE, FRONT

89A-W4751-00-00

Unavailable

2

CONNECTOR

8K4-47577-00-00

$20.99

3

WHEEL, SPROCKET 1

89A-47531-01-00

Unavailable

4

WHEEL, SPROCKET 2

89A-47532-01-00

Unavailable

5

COLLAR

8K1-47526-00-00

Unavailable

6

BOLT, SET (8K2)

90113-06039-00

$9.49

7

HOUSING, FRONT AXLE

89A-47551-00-00

Unavailable

8

BEARING(89A)

93306-27206-00

$70.99

9

BOLT, HEXAGON

97017-08025-00

$10.49

10

YBS67-8 WASHER, SPRING

92990-08100-00

$5.60

11

WASHER 810475810000

90208-22001-00

$8.49

12

NUT (821-47579-00)

90170-22094-00

$5.60

13

COVER, HOUSING

89A-47721-00-00

Unavailable