Partiron

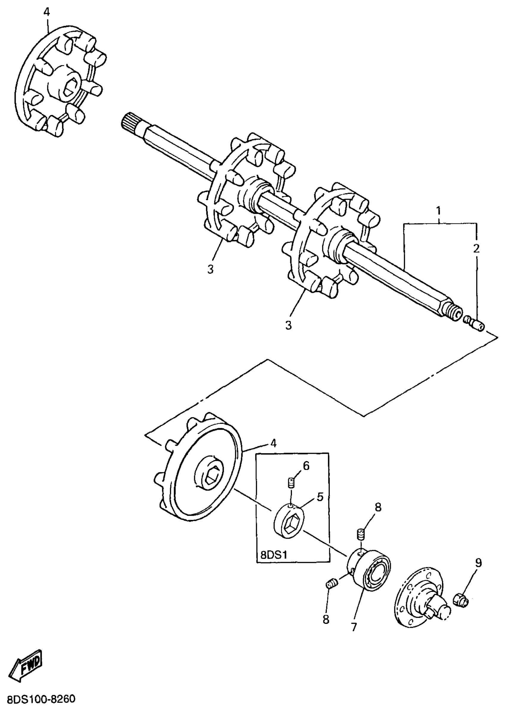
Yamaha VX700XTCPB (VMAX 700 XTCP (PLASTIC SKI, 1.5"TRACK)) 8DL1 1998 TRACK DRIVE 1 Diagram

#

Description
Price

1

AXLE, FRONT

8CR-W4751-01-00

Unavailable

2

CONNECTOR

8K4-47577-00-00

$20.99

3

WHEEL, SPROCKET 1

8CM-47531-10-00

$145.99

4

WHEEL, SPROCKET 2

8CM-47532-10-00

Unavailable

5

COLLAR

8BW-47526-00-00

$59.99

6

BOLT, SET (8K2)

90113-06039-00

$9.49

7

BEARING(8CJ)

93306-20589-00

$59.99

8

BOLT, SET

90113-06006-00

$4.29

9

NUT, NYLON

95717-08300-00

$2.70