- Partiron
- OEM Parts
- Yamaha
- snowmobile
- 1998
- VX700XTCPB (VMAX 700 XTCP (PLASTIC SKI, 1.5"TRACK)) 8DL1 1998
ALTERNATE SEMI DOUBLE SEAT
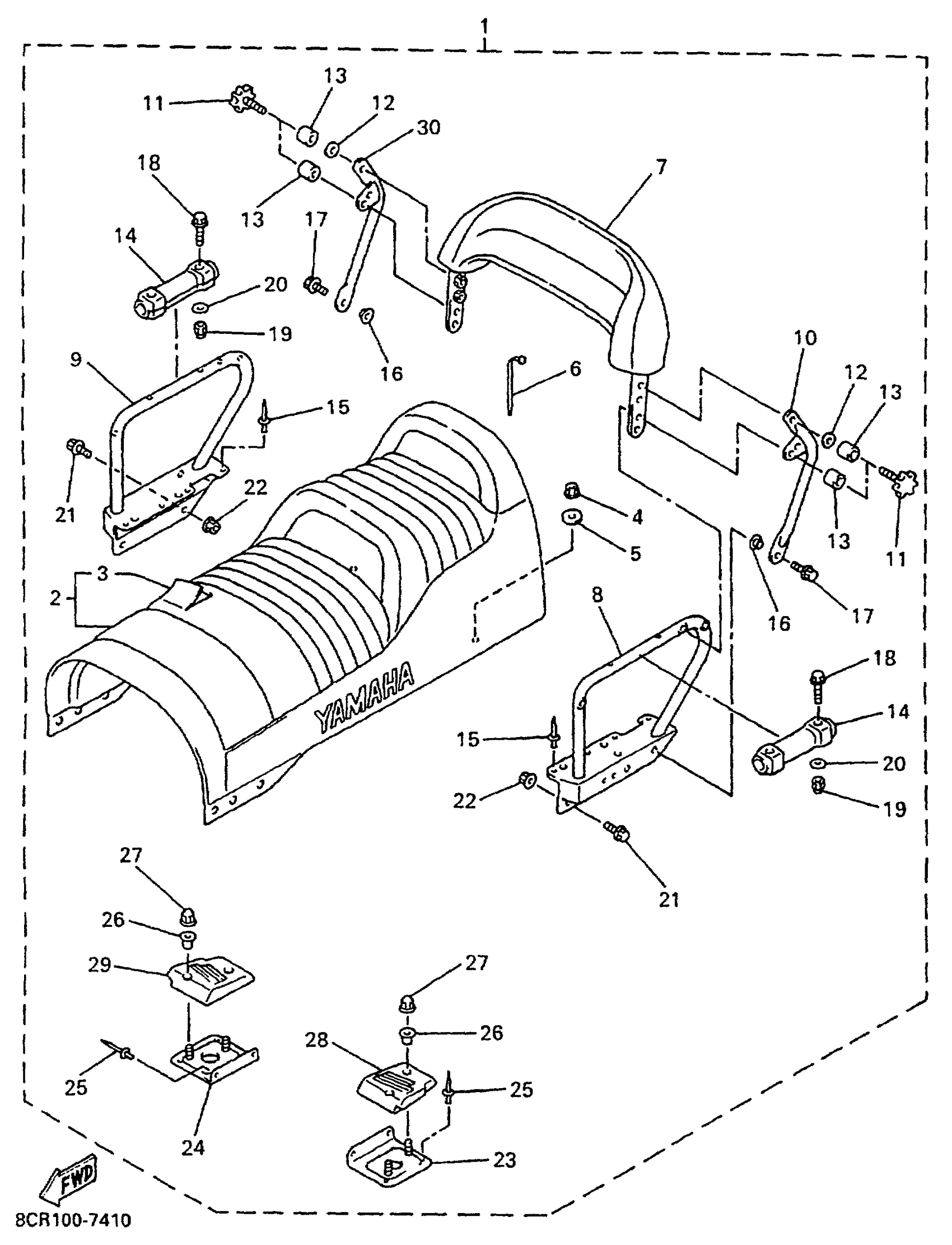
Yamaha VX700XTCPB (VMAX 700 XTCP (PLASTIC SKI, 1.5"TRACK)) 8DL1 1998 ALTERNATE SEMI DOUBLE SEAT Diagram
#
Description
Price
1
SEMI-DOUBLE SEAT ASSEMBLY
8CR-W2473-10-00
Unavailable
2
. DOUBLE SEAT ASSY
8CW-24730-20-00
Unavailable
3
.. COVER, SEAT
8CW-2470F-20-00
Unavailable
7
SEAT BACK ASSY
8CW-24790-10-00
Unavailable
8
BRACKET, ASSIST GRIP 1
8CW-2474H-01-00
Unavailable
9
BRACKET, ASSIST GRIP 2
8CW-2474J-01-00
Unavailable
10
BRACKET, SEAT BACK
8CW-24797-00-00
Unavailable
11
BODY, SEAT LOCK
8CW-2479H-00-00
Unavailable
14
. ASSIST, GRIP
8CW-2474A-00-00
Unavailable
16
COLLAR
90387-08079-00
Unavailable
17
BOLT, FLANGE(JN5)
95817-08016-00
Unavailable
18
BOLT, FLANGE
95817-06040-00
Unavailable
19
NUT(4MY)
95307-06800-00
Unavailable
20
WASHER(6TA)
92907-06200-00
Unavailable
21
BOLT, FLANGE
95817-08014-00
Unavailable
22
NUT, FLANGE(JN5)
95707-08500-00
Unavailable
23
. FOOTREST, REAR 1
8CW-27431-00-00
Unavailable
24
. FOOTREST, REAR 2
8CW-27441-00-00
Unavailable
25
RIVET, BLIND(8CR)
90267-47186-00
Unavailable
26
COLLAR
90387-06158-00
Unavailable
27
NUT, CROWN
90176-06082-00
Unavailable
28
FOOTREST, REAR 1
88T-27431-10-00
Unavailable
29
FOOTREST, REAR 2
88T-27441-10-00
Unavailable
30
BRACKET, SEAT
8CW-2479L-00-00
Unavailable
