Partiron

Yamaha VX700SXBC (VMAX 700 SX) 8CH3 1999 HEADLIGHT Diagram

#

Description
Price

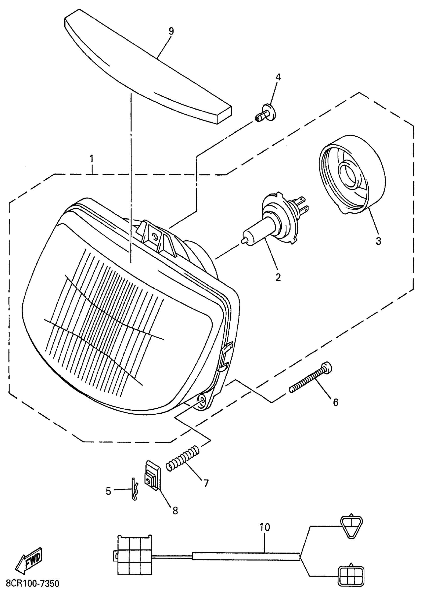
1

HEADLIGHT UNIT ASSY

8CR-84310-00-00

Unavailable

2

BULB, HEADLIGHT

8V0-84314-10-00

$69.99

3

COVER, SOCKET

4KM-84397-00-00

Unavailable

4

RIVET

90269-06001-00

$5.60

5

CLIP

8K4-84374-00-00

$8.49

6

SCREW, ADJUSTING

8M6-84331-00-00

$17.99

7

SPRING, COMPRESSION

90501-124L0-00

Unavailable

8

NUT, SPRING

90183-051A0-00

$3.81

9

DAMPER, HEADLIGHT 1

8CR-84366-00-00

Unavailable

10

CORD, HEADLIGHT

8CH-84359-10-00

Unavailable