- Partiron
- OEM Parts
- Yamaha
- snowmobile
- 1997
- VX700SXA (VMAX 700 SX) 8CH1 1997
STARTER FOR VX700
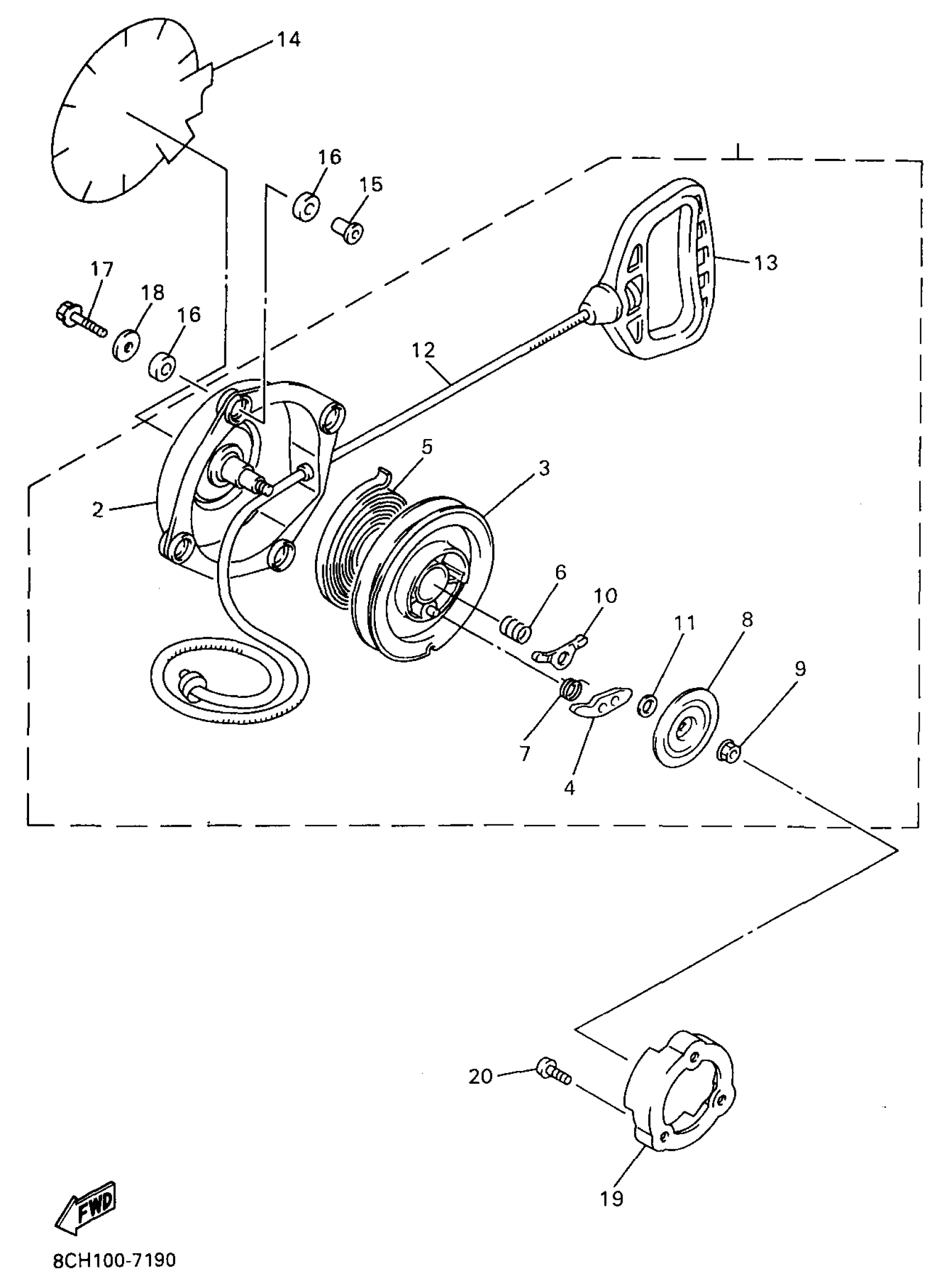
Yamaha VX700SXA (VMAX 700 SX) 8CH1 1997 STARTER FOR VX700 Diagram
#
Description
Price
2
. CASE, STARTER
8CH-15711-00-00
Unavailable
3
. DRUM, SHEAVE
8CH-15714-00-00
Unavailable
4
. PAWL, DRIVE
8CH-15741-00-00
Unavailable
6
. SPRING, FRICTION
8CH-15715-00-00
Unavailable
7
. SPRING
8CH-15767-00-00
Unavailable
8
PLATE, DRIVE
8CH-15716-00-00
Unavailable
10
. GUIDE, CAM
8CH-15735-00-00
Unavailable
11
. WASHER, THRUST
8CH-15739-00-00
Unavailable
14
COVER, STARTER CASE
8CH-15712-00-00
Unavailable
16
BUSH (8M6)
90385-12036-00
Unavailable
17
BOLT, FLANGE
95817-08035-00
Unavailable
18
WASHER (853)
90201-08326-00
Unavailable
19
PULLEY, STARTER
8CH-15723-00-00
Unavailable
20
BOLT, BUTTON HEAD
92017-08012-00
Unavailable
