- Partiron
- OEM Parts
- Yamaha
- snowmobile
- 1997
- VX700SXA (VMAX 700 SX) 8CH1 1997
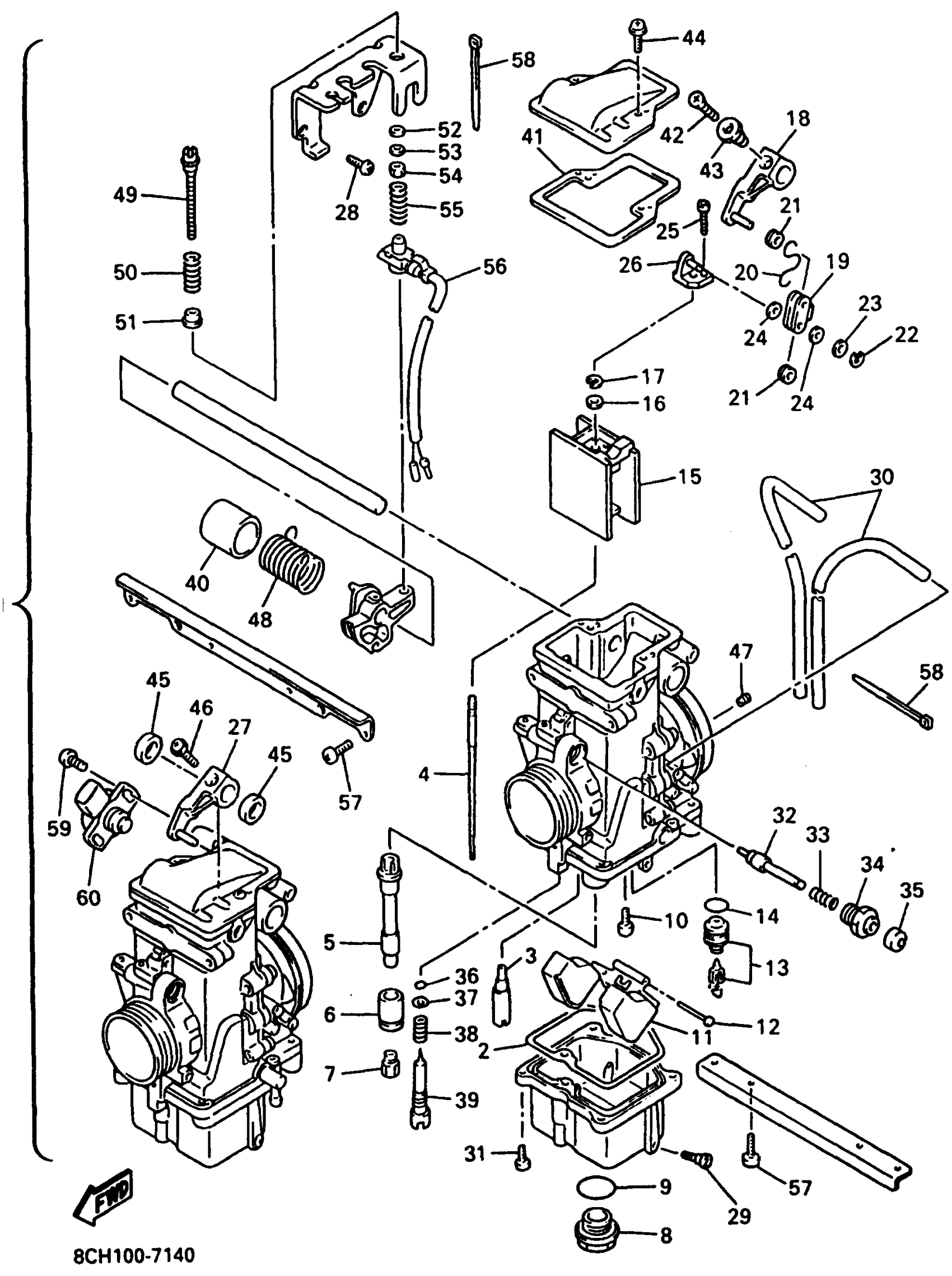
CARBURETOR FOR VX600
Yamaha VX700SXA (VMAX 700 SX) 8CH1 1997 CARBURETOR FOR VX600 Diagram
#
1
CARBURETOR ASSEMBLY
8CR-14100-00-00
Unavailable
4
. NEEDLE
8CR-14116-A2-00
Unavailable
5
. NOZZLE, MAIN
8AY-14141-56-00
Unavailable
6
. RING
8CA-14194-00-00
Unavailable
7
JET, MAIN (#146.3)
3G2-1423E-58-00
Unavailable
7
JET, MAIN #148.8
3G2-1423E-59-00
Unavailable
7
JET, MAIN (#151.3)
3G2-1423E-60-00
Unavailable
7
JET, MAIN (#151.3)
3G2-1423E-60-00
Unavailable
7
JET, MAIN (#153.8)
3G2-1423E-61-00
Unavailable
7
JET, MAIN (#156.3)
3G2-1423E-62-00
Unavailable
8
PLUG, SCREW
500-14115-00-00
Unavailable
9
O-RING (541)
558-14147-00-00
Unavailable
10
SCREW
2LN-14565-00-00
Unavailable
11
. FLOAT
8AY-14185-10-00
Unavailable
12
PIN, FLOAT
537-14186-00-00
Unavailable
13
NEEDLE VALVE ASSY
1AE-14190-15-00
Unavailable
14
O-RING
8F2-14147-00-00
Unavailable
15
. VALVE, THROTTLE 1
8CJ-14112-30-00
Unavailable
16
WASHER
8AB-14227-00-00
Unavailable
17
CLIP
256-14919-00-00
Unavailable
18
LEVER, STARTER
8CW-14905-00-00
Unavailable
19
. PLATE
8AY-14243-00-00
Unavailable
20
. CLIP
8CD-14137-00-00
Unavailable
21
RING
3MA-14918-00-00
Unavailable
22
CLIP
3MA-14937-00-00
Unavailable
23
GASKET
620-14198-00-00
Unavailable
24
GASKET
3GF-14126-00-00
Unavailable
25
. SCREW
8CC-14216-00-00
Unavailable
26
CONNECTOR
8CD-14188-00-00
Unavailable
27
LEVER,STARTER
8CW-14905-10-00
Unavailable
28
SCREW, PAN HEAD(3LA)
98517-05010-00
Unavailable
29
PLUG, DRAIN
12R-14191-00-00
Unavailable
30
HOSE
88R-14987-00-00
Unavailable
31
SCREW, PAN HEAD(GA5)
98580-04014-00
Unavailable
32
PLUNGER,STARTER
8CJ-14171-00-00
Unavailable
33
. SPRING, PLUNGER
256-14135-00-00
Unavailable
34
. CAP, PLUNGER
1FN-14174-00-00
Unavailable
35
. COVER, PLUNGER CAP
302-14173-00-00
Unavailable
36
O-RING, PILOT SCREW
3H1-14147-00-00
Unavailable
37
WASHER, PILOT SCREW
3H1-14962-00-00
Unavailable
38
SPRING
5K7-14134-00-00
Unavailable
39
SCREW, ADJ.
89A-14565-00-00
Unavailable
40
. COLLAR
8AY-14265-00-00
Unavailable
41
. GASKET
8AY-14199-00-00
Unavailable
42
. SCREW, FLAT HEAD (98701-05018-00)
98703-05018-00
Unavailable
43
. RING
8AY-14918-00-00
Unavailable
44
SCREW, PAN HEAD WITH WASHER
97607-04108-00
Unavailable
45
. SPACER
583-14264-00-00
Unavailable
46
SCREW, PAN HEAD(JJ6)
98507-05016-00
Unavailable
47
. PILOT JET, AIR (08)
239-14172-08-00
Unavailable
48
SPRING
8CJ-14275-00-00
Unavailable
49
SCREW, THROTTLE
8CC-14122-00-00
Unavailable
50
SPRING
8X0-14500-00-00
Unavailable
51
RING
8X0-14184-00-00
Unavailable
52
WASHER, PLUG SCREW
22F-14117-00-00
Unavailable
53
. WASHER
1UF-14952-00-00
Unavailable
54
NUT
89A-14594-00-00
Unavailable
55
SPRING, THROTTLE STOP
8X0-14133-00-00
Unavailable
56
SWITCH, CARBURETOR
87S-8259A-01-00
Unavailable
57
SCREW, PAN HEAD(3YL)
98580-05014-00
Unavailable
58
CLIP, PIPE
35H-14139-00-00
Unavailable
59
. SCREW
8CC-14216-00-00
Unavailable
60
. THROTTLE SENSOR ASSEMBLY
8CR-85885-00-00
Unavailable
