- Partiron
- OEM Parts
- Yamaha
- snowmobile
- 2001
- VX700DXF (VMAX 700 DELUXE (ELEC START)) 8DY3 2001
STEERING
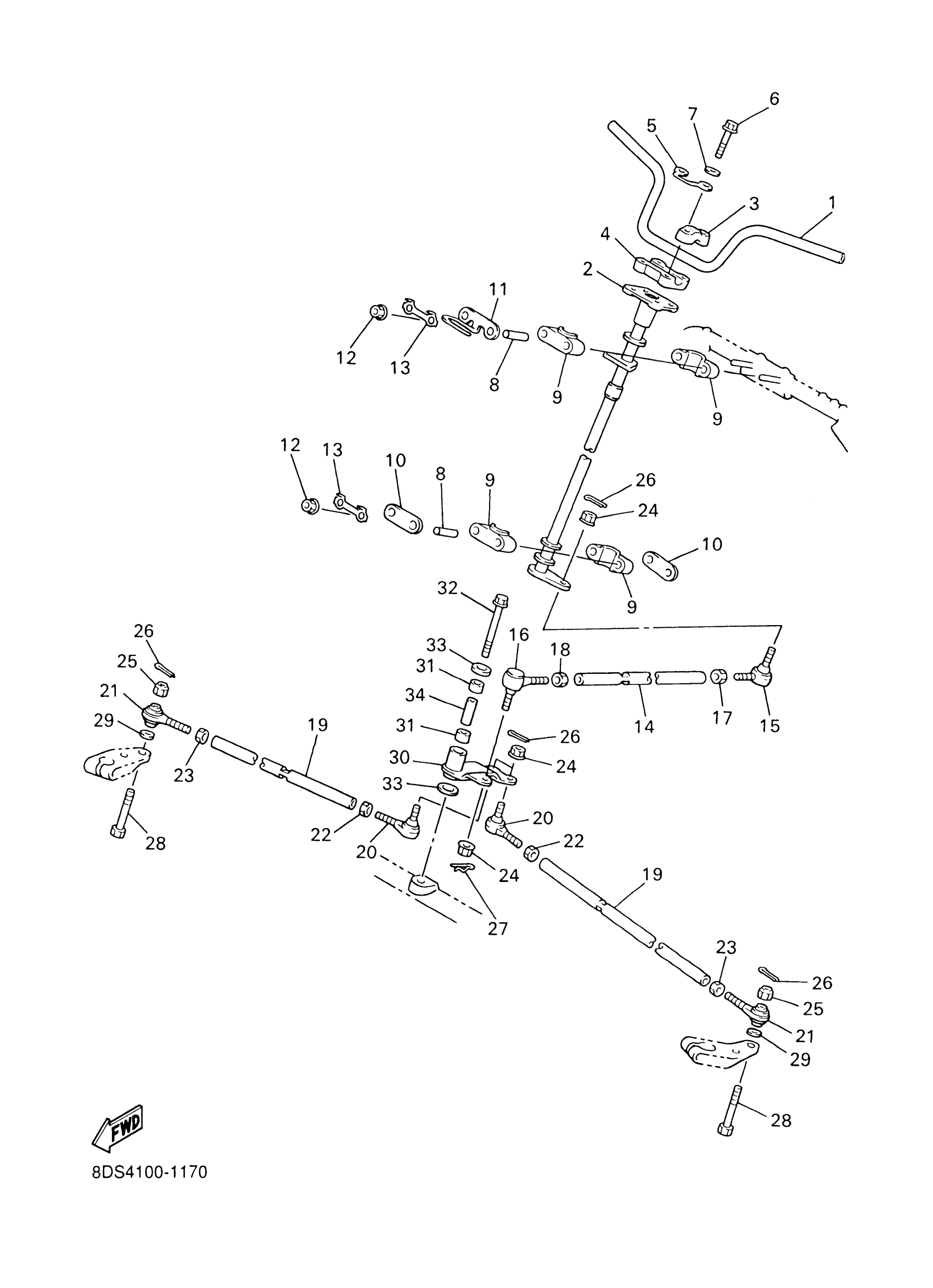
Yamaha VX700DXF (VMAX 700 DELUXE (ELEC START)) 8DY3 2001 STEERING Diagram
#
Description
Price
1
COLUMN, STEERING
8CR-23811-00-00
Unavailable
1
HANDLEBAR
8DN-26111-01-00
Unavailable
2
COLUMN, STEERING 2
8ED-23813-00-00
Unavailable
4
HANDLE, HOLDER
164-23441-01-98
Unavailable
10
HOLDER, BEARING
8CR-23872-00-00
Unavailable
11
HOLDER, BEARING
8CH-23872-00-00
Unavailable
14
ROD, STEERING RELAY
8CR-23821-00-00
Unavailable
15
JOINT, UNIVERSAL 2
8CR-23845-10-00
Unavailable
16
JOINT, UNIVERSAL 3
8CR-23847-00-00
Unavailable
17
NUT (3WP1)
95317-10700-00
Unavailable
18
NUT, HEXAGON (8A5)
90170-10186-00
Unavailable
19
ROD, TIE
8CR-23831-00-00
Unavailable
20
JOINT, UNIVERSAL 2
8CR-23845-10-00
Unavailable
21
JOINT, UNIVERSAL 3
87S-23847-01-00
Unavailable
22
NUT (3WP1)
95317-10700-00
Unavailable
23
NUT, HEXAGON (8A5)
90170-10186-00
Unavailable
24
NUT, FLANGE(8AB)
95707-10500-00
Unavailable
25
NUT, NYLON
95707-10300-00
Unavailable
26
PIN, COTTER
91490-25020-00
Unavailable
27
CLIP 136253750000
90468-12006-00
Unavailable
28
BOLT, PIN HOLE (8M6)
90102-10044-00
Unavailable
29
WASHER PLATE (3L6)
90201-08759-00
Unavailable
30
ARM, IDLER
8DF-23826-10-00
Unavailable
31
BEARING, CYLINDRICAL(3VR)
93317-41767-00
Unavailable
32
BOLT, WASHER BASED (26H)
90105-12252-00
Unavailable
33
WASHER, PLATE
90201-121U3-00
Unavailable
34
COLLAR
8DF-2412G-00-00
Unavailable
