- Partiron
- OEM Parts
- Yamaha
- snowmobile
- 2000
- VX700DXD (VMAX 700 DELUXE (ELEC START)) 8DY2 2000
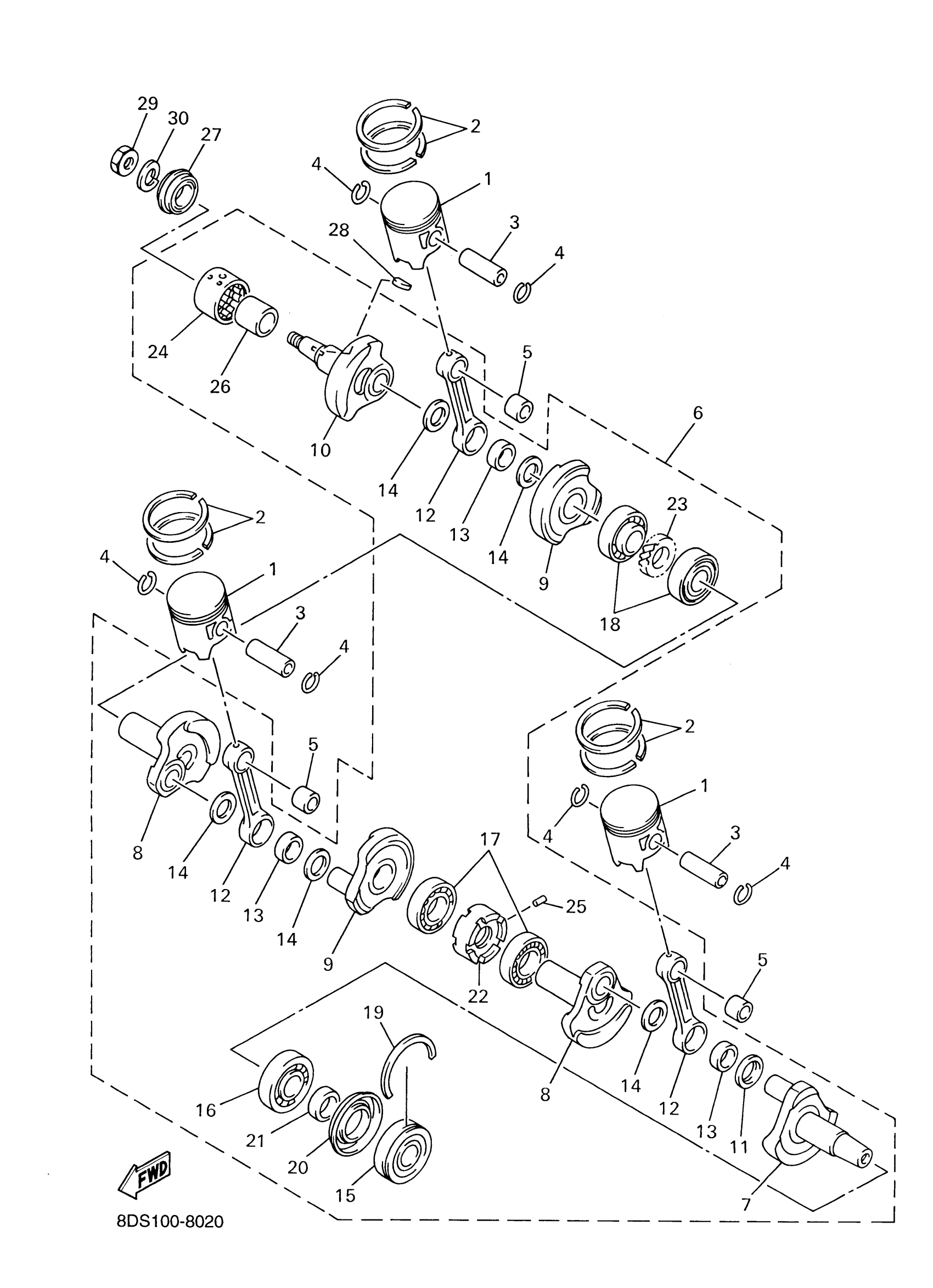
CRANKSHAFT PISTON
Yamaha VX700DXD (VMAX 700 DELUXE (ELEC START)) 8DY2 2000 CRANKSHAFT PISTON Diagram
#
Description
Price
1
PISTON (STD)
8DG-11631-00-A0
Unavailable
6
CRANKSHAFT ASSY
8CH-11400-12-00
Unavailable
7
CRANK 1
8CH-11412-00-00
Unavailable
9
. CRANK 3
8CH-11432-00-00
Unavailable
10
CRANK 4
8CH-11442-00-00
Unavailable
14
WASHER, PLATE
90201-277R4-00
Unavailable
15
BEARING
93306-30715-00
Unavailable
16
BEARING
93306-30716-00
Unavailable
17
. BEARING
93306-28201-00
Unavailable
18
. BEARING
93306-28202-00
Unavailable
19
CIRCLIP (834)
93440-80023-00
Unavailable
20
OIL SEAL
93103-45179-00
Unavailable
21
. COLLAR
8CH-11478-00-00
Unavailable
22
. SEAL, LABYRINTH 1
8CH-11515-00-00
Unavailable
23
GEAR, CRANK SHAFT
8CH-11434-00-00
Unavailable
24
BEARING
93390-00028-00
Unavailable
25
PIN, SPRING (663)
91690-30010-00
Unavailable
26
BEARING
8DF-1142A-01-00
Unavailable
27
OIL SEAL(82M)
93103-32153-00
Unavailable
28
KEY, WOODRUFF (8R9)
90280-05033-00
Unavailable
29
NUT
90170-16425-00
Unavailable
30
WASHER(6TD)
92907-16600-00
Unavailable
