- Partiron
- OEM Parts
- Yamaha
- snowmobile
- 1997
- VX600XTCRA (VMAX 600 XTC (REVERSE)) 8DB1 1997
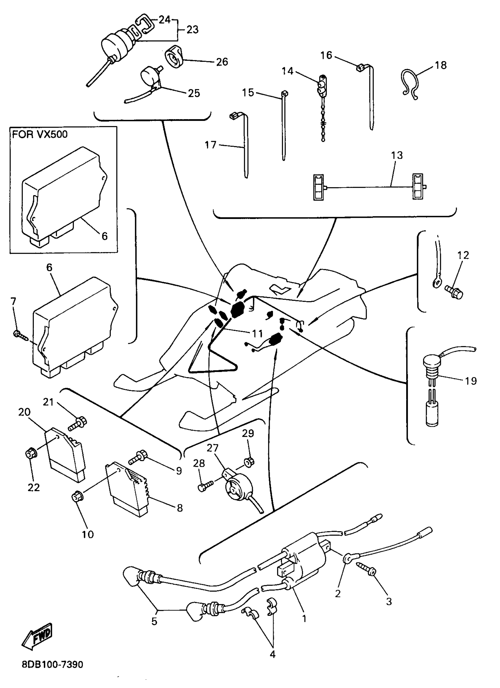
ELECTRICAL 1
Yamaha VX600XTCRA (VMAX 600 XTC (REVERSE)) 8DB1 1997 ELECTRICAL 1 Diagram
#
Description
Price
2
WIRE, SUB-LEAD
87D-82318-00-00
Unavailable
3
SCREW, TAPPING(65J)
97780-60625-00
Unavailable
4
CLAMP, CORD
861-82361-00-00
Unavailable
6
C.D.I. UNIT ASSY
8CJ-85540-01-00
Unavailable
6
C.D.I. UNIT ASSY
8CR-85540-10-00
Unavailable
7
SCREW, TAPPING(65J)
97780-60625-00
Unavailable
11
WIRE HARNESS ASSEMBLY
8CU-82590-00-00
Unavailable
11
WIRE HARNESS ASSEMBLY
8CX-82590-00-00
Unavailable
13
WIRE, LEAD
8CR-8471G-00-00
Unavailable
14
CLAMP
90464-20031-00
Unavailable
15
CLAMP(4FM)
90464-15195-00
Unavailable
16
CLAMP(4FM)
90464-15195-00
Unavailable
17
CLAMP(4FM)
90464-15195-00
Unavailable
18
CLAMP
90464-25267-00
Unavailable
19
OIL LEVEL GAUGE ASSY
3E1-85720-15-00
Unavailable
20
VOLTAGE REGULATOR ASSY
8AB-81910-00-00
Unavailable
23
MAIN SWITCH ASSY
8AB-82510-01-00
Unavailable
24
CAP, KEY
526-82579-00-00
Unavailable
25
RESISTOR, VARIABLE
8CR-87283-00-00
Unavailable
26
KNOB, VARIABLE RESISTOR
8AB-87284-00-00
Unavailable
27
BUZZER
8CW-83383-00-00
Unavailable
28
BOLT(3JK)
97027-05020-00
Unavailable
29
NUT, FLANGE(3GM)
95707-05500-00
Unavailable
