Partiron

Yamaha VX600XTCA (VMAX 600 XTC) 8CX1 1997 TRACK DRIVE 1 Diagram

#

Description
Price

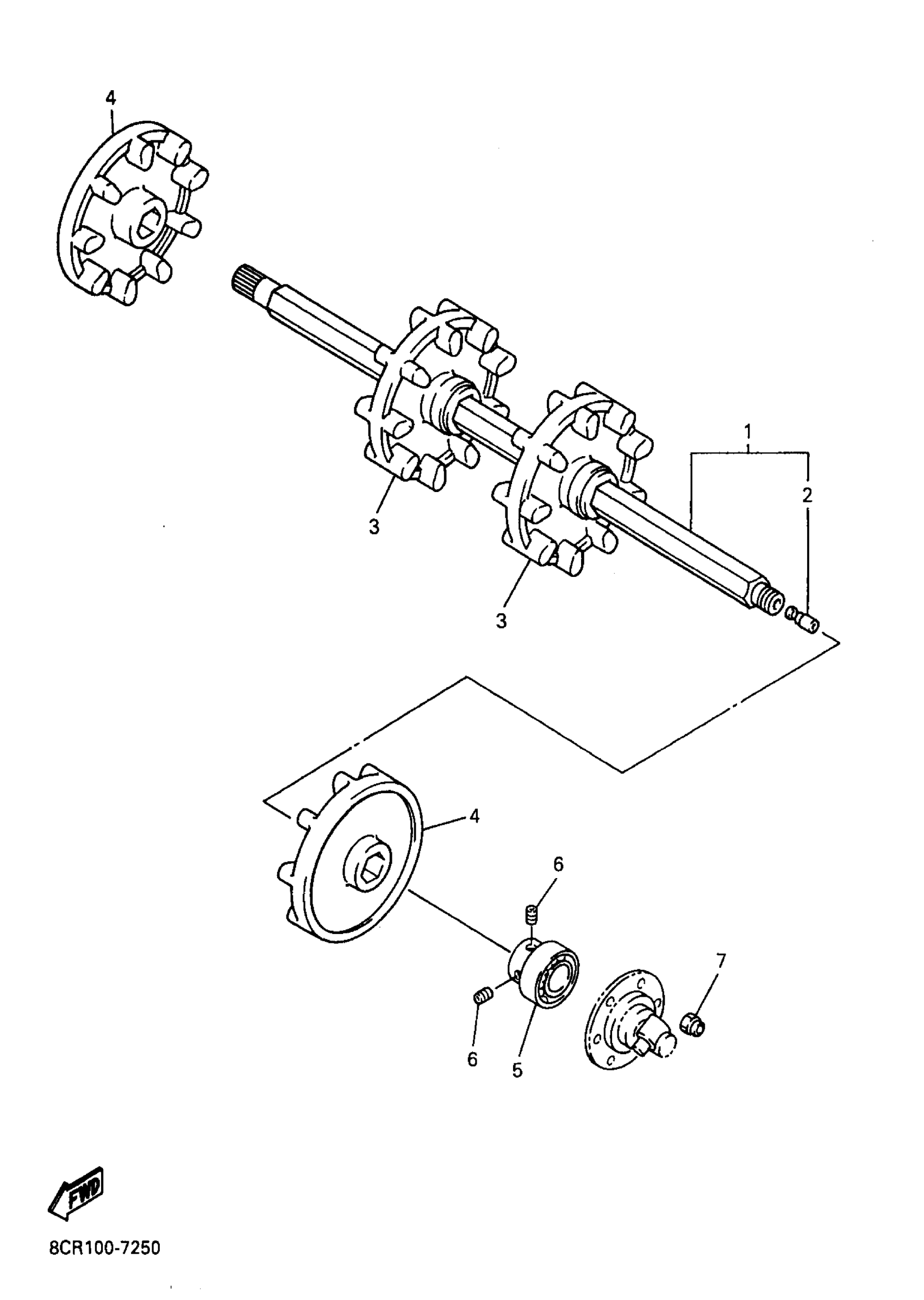
1

AXLE, FRONT

8CR-W4751-01-00

Unavailable

2

CONNECTOR

8K4-47577-00-00

$20.99

3

WHEEL, SPROCKET 1

8CM-47531-10-00

$145.99

3

WHEEL, SPROCKET 1

8CM-47531-10-00

$145.99

4

WHEEL, SPROCKET 2

8CM-47532-10-00

Unavailable

5

BEARING(8CJ)

93306-20589-00

$59.99

6

BOLT, SET

90113-06006-00

$4.29

7

NUT, NYLON

95717-08300-00

$2.70