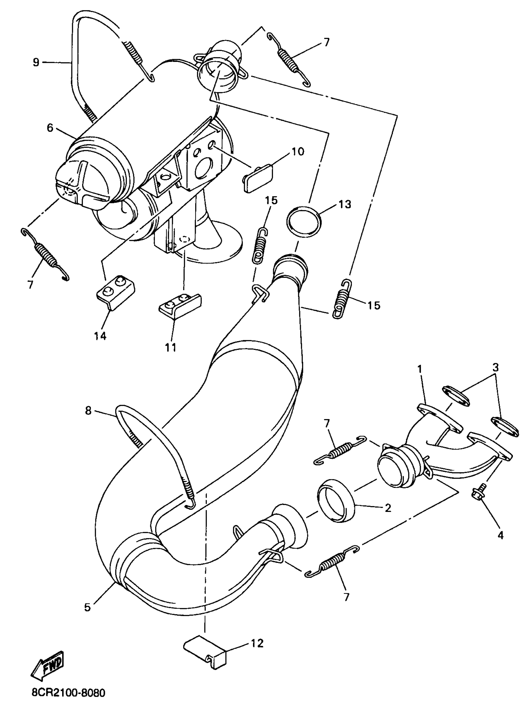
Yamaha VX600XTB (VMAX 600 XT) BH20499 1998 EXHAUST Diagram
#
Description
Price
1
EXHAUST PIPE ASSY 1
8CR-14610-00-00
Unavailable
5
EXHAUST PIPE ASSY 2
8CR-14620-01-00
Unavailable
6
SECOND SILENCER,MUFFLER
8CR-14640-01-00
Unavailable
8
SPRING, TENSION
90506-16335-00
Unavailable
9
SPRING, TENSION
90506-16504-00
Unavailable
10
PROTECTOR, MUFFLER 2
8A5-14728-02-00
Unavailable
12
PROTECTER, MUFFLER 3
8CR-14738-00-00
Unavailable
14
PROTECTOR, MUFFLER 2
8CR-14728-00-00
Unavailable
