- Partiron
- OEM Parts
- Yamaha
- snowmobile
- 1998
- VX600XTB (VMAX 600 XT) BH20499 1998
ALTERNATE DX SEMI DOUBLE SEAT
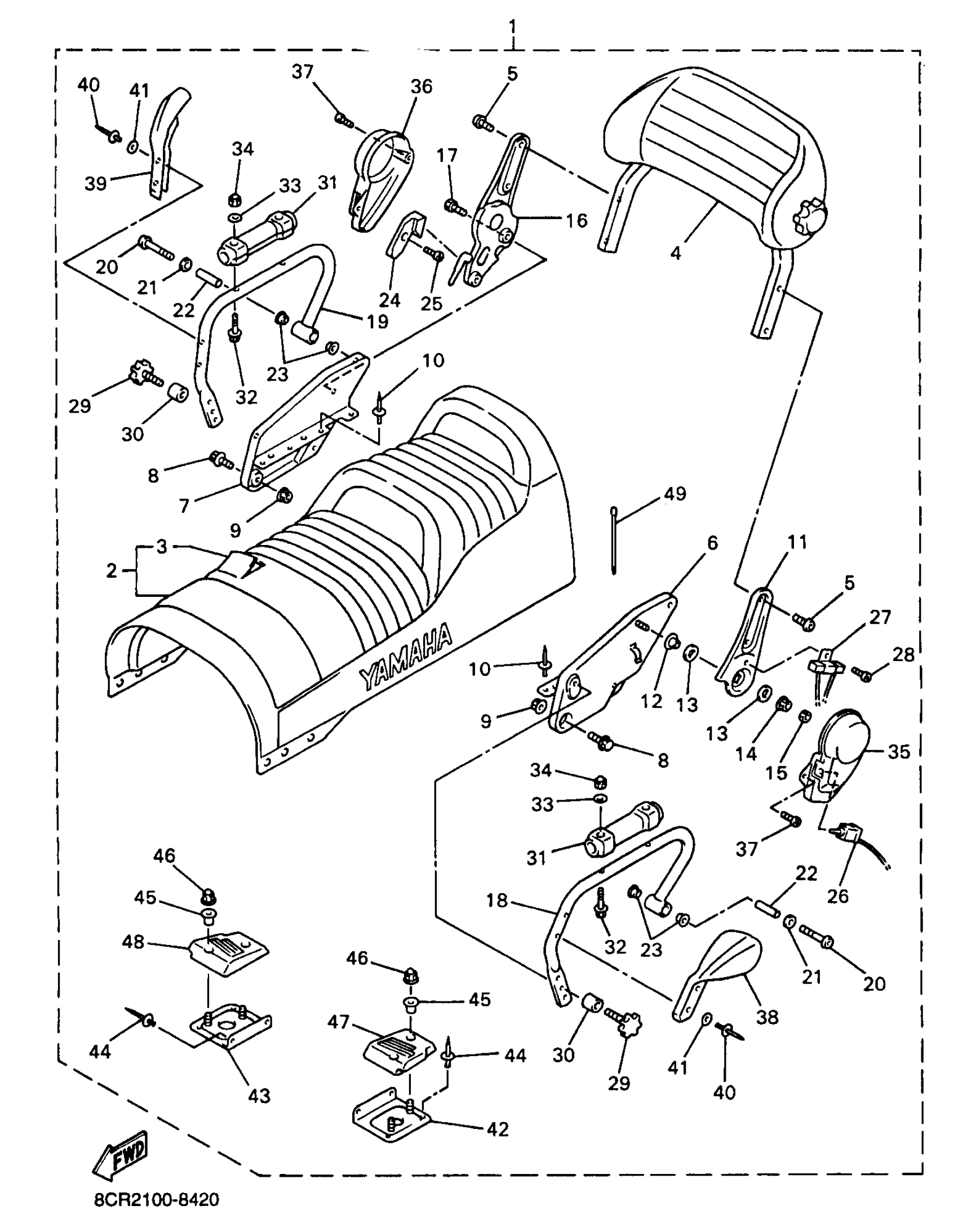
Yamaha VX600XTB (VMAX 600 XT) BH20499 1998 ALTERNATE DX SEMI DOUBLE SEAT Diagram
#
1
SEMI-DOUBLE SEAT ASSY (DX)
8CY-W247R-20-00
Unavailable
2
. DOUBLE SEAT ASSY
8CW-24730-20-00
Unavailable
3
.. COVER, SEAT
8CW-2470F-20-00
Unavailable
4
SEAT BACK ASSY
8DM-24790-00-00
Unavailable
6
STAY, FRONT 1
8DM-2474F-00-00
Unavailable
7
STAY, FRONT 2
8DM-2474G-00-00
Unavailable
11
ARM 2
8DM-2477R-00-00
Unavailable
13
WASHER, PLATE
90202-12236-00
Unavailable
16
SEAT LEVER ASSY
8DM-24760-00-00
Unavailable
17
BOLT, HEXAGON
97027-10014-00
Unavailable
18
. BRACKET, ASSIST GRIP 1
8DM-2474H-00-00
Unavailable
19
. BRACKET, ASSIST GRIP 2
8DM-2474J-00-00
Unavailable
20
BOLT,BUTTON
92017-10070-00
Unavailable
21
WASHER, PLATE(3BM)
90201-105R9-00
Unavailable
22
COLLAR 802473690000
90387-10090-00
Unavailable
23
COLLAR (8U7)
90387-145G7-00
Unavailable
24
LEVER, SEAT
8DM-2477F-00-00
Unavailable
25
SCREW, TAPPING(JN5)
97707-40008-00
Unavailable
26
SWITCH
8DM-82917-01-00
Unavailable
27
RESISTOR ASSY
8DM-85370-00-00
Unavailable
28
SCREW, BINDING
98907-06012-00
Unavailable
29
BODY, SEAT LOCK
8CW-2479H-00-00
Unavailable
30
DAMPER, SEAT
8CW-24737-00-00
Unavailable
31
. ASSIST, GRIP
8CW-2474A-00-00
Unavailable
32
BOLT, FLANGE
95817-06040-00
Unavailable
33
WASHER(6TA)
92907-06200-00
Unavailable
34
NUT(4MY)
95307-06800-00
Unavailable
35
COVER
8DM-24796-00-00
Unavailable
36
COVER,2
8DM-2475X-01-00
Unavailable
37
SCREW, TRUSS TAP.
97707-40012-00
Unavailable
38
PROTECTOR,1
8DM-2476U-00-00
Unavailable
39
PROTECTOR,2
8DM-2476V-00-00
Unavailable
40
RIVET, BLIND (8M6)
90267-48051-00
Unavailable
41
WASHER, PLAIN (3GDF)
90201-051K1-00
Unavailable
42
. FOOTREST, REAR 1
8CW-27431-00-00
Unavailable
43
. FOOTREST, REAR 2
8CW-27441-00-00
Unavailable
44
RIVET, BLIND(8CR)
90267-47186-00
Unavailable
45
COLLAR
90387-06158-00
Unavailable
46
NUT, CROWN(1FN)
90176-06055-00
Unavailable
47
FOOTREST, REAR 1
88T-27431-10-00
Unavailable
48
FOOTREST, REAR 2
88T-27441-10-00
Unavailable
49
CLAMP(4FM)
90464-15195-00
Unavailable
