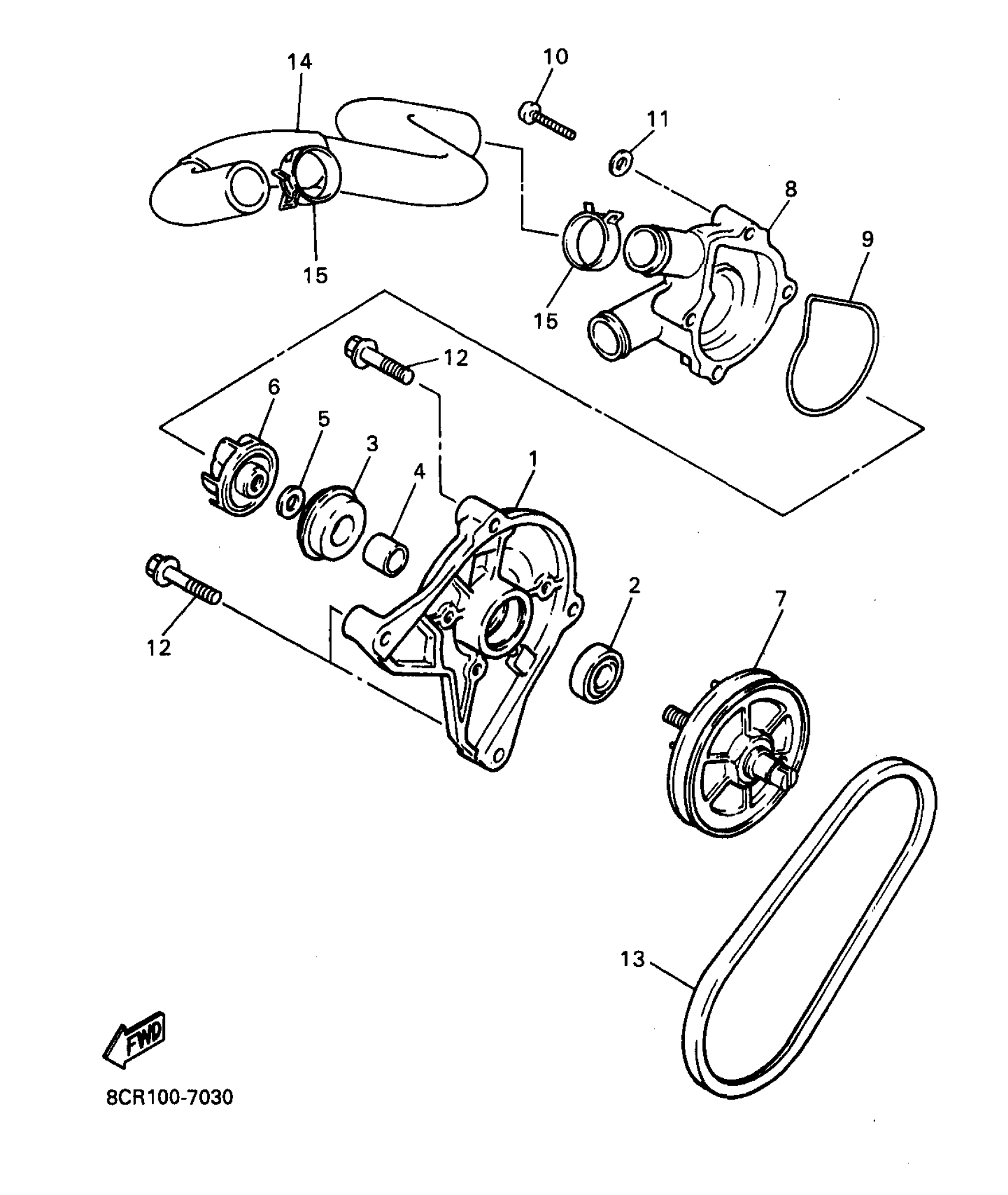
Yamaha VX600XTA (VMAX 600 XT) 8CR1 1997 WATER PUMP Diagram
#
Description
Price
1
HOUSING,WATER PUMP
8CR-12421-01-00
Unavailable
3
SEAL, MECHANICAL
82M-12438-00-00
Unavailable
4
STOPPER
82M-12437-00-00
Unavailable
5
WASHER, PLATE 2562171800
90201-08088-00
Unavailable
6
IMPELLER, WATER PUMP
82M-12451-00-00
Unavailable
7
IMPELLER SHAFT ASSY
8CR-12450-00-00
Unavailable
8
COVER,HOUSING
8CR-12422-01-00
Unavailable
9
O-RING
8CR-12439-00-00
Unavailable
14
PIPE 1
8CR-12481-00-00
Unavailable
