- Partiron
- OEM Parts
- Yamaha
- snowmobile
- 1997
- VX600XTA (VMAX 600 XT) 8CR1 1997
ALTERNATE (REVERSE GEAR)
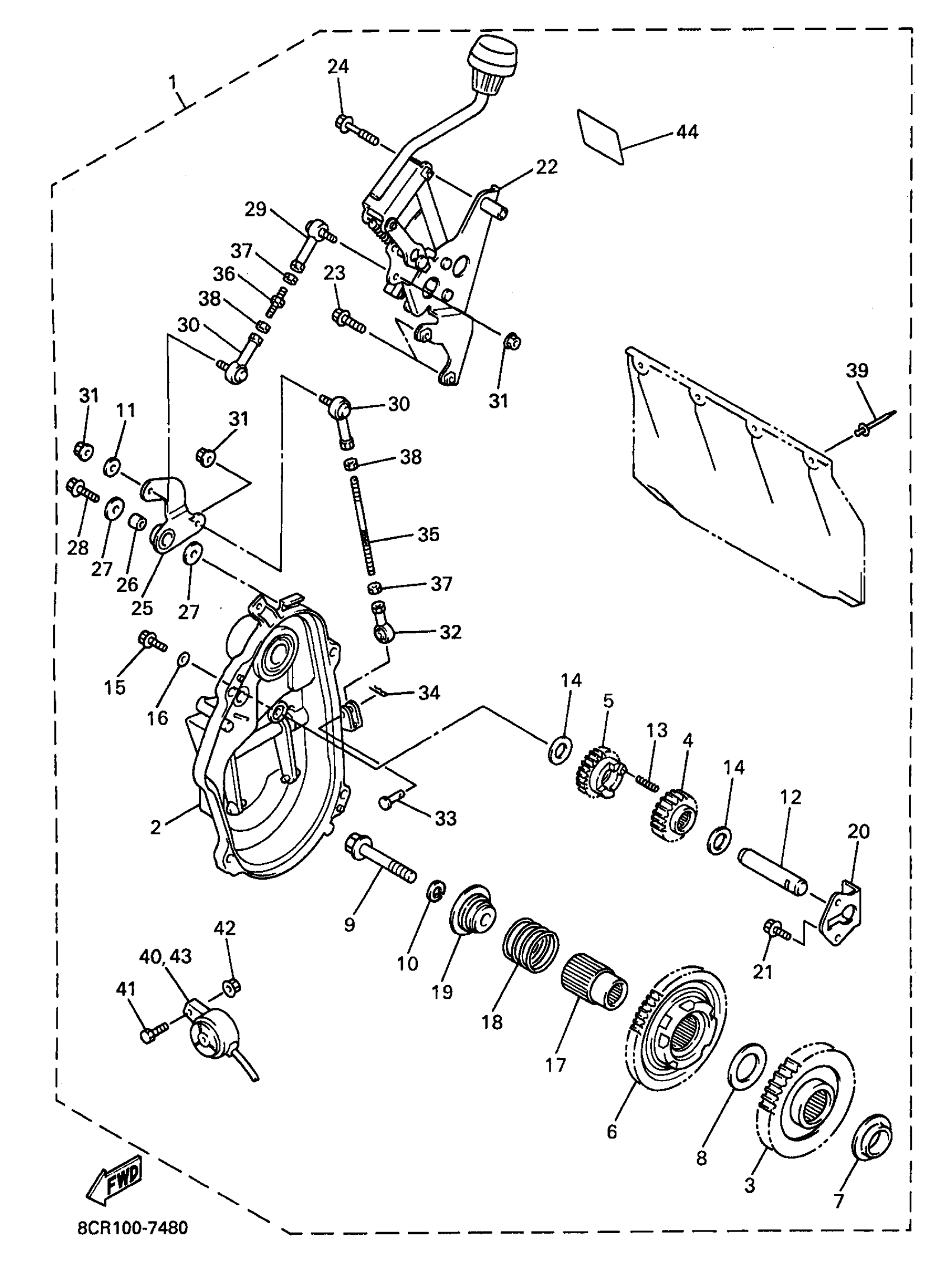
Yamaha VX600XTA (VMAX 600 XT) 8CR1 1997 ALTERNATE (REVERSE GEAR) Diagram
#
1
REVERSE GEAR KIT
8CR-47590-01-00
Unavailable
2
. CAP HOUSING SUB-ASSEMBLY
8CW-W4754-00-00
Unavailable
3
. SPROCKET SUB-ASSEMBLY 1
8CW-W4758-00-00
Unavailable
4
SPROCKET SUB-ASSY2
8CW-W176F-01-00
Unavailable
6
REVERSE GEAR SUB-ASSY 2 (RGEAR
8CW-W1724-00-00
Unavailable
8
WASHER, PLATE(8DA)
90201-320S3-00
Unavailable
9
BOLT, FLANGE(7LU)
95817-10070-00
Unavailable
16
WASHER, SEAL (7G5)
90210-06006-00
Unavailable
17
JOURNAL 1
8CW-47571-00-00
Unavailable
18
. SPRING, COMPRESSION
90501-326J6-00
Unavailable
19
COLLAR
8CW-47564-01-00
Unavailable
20
PLATE
8CW-47591-00-00
Unavailable
22
. SHIFT LEVER ASSEMBLY
8CW-18120-01-00
Unavailable
23
BOLT, FLANGE
95817-06025-00
Unavailable
24
BOLT, FLANGE
95817-06040-00
Unavailable
25
LEVER
8CW-18198-00-00
Unavailable
26
COLLAR
90387-06197-00
Unavailable
27
WASHER, PLATE(36Y)
90201-063J2-00
Unavailable
28
BOLT, FLANGE
95817-06025-00
Unavailable
29
JOINT, UNIVERSAL 2
J45-23845-00-00
Unavailable
30
JOINT 2
88T-18157-00-00
Unavailable
31
NUT,SELF-LOCKING
95607-06200-00
Unavailable
32
JOINT 1
8CW-18156-00-00
Unavailable
33
PIN, COTTER (1W2)
91701-06022-00
Unavailable
34
CLIP (156-83525-00)
90468-10050-00
Unavailable
35
JOINT, ROD 1
88T-18116-01-00
Unavailable
36
ROD, SHIFT
26H-18115-00-00
Unavailable
37
NUT, HEXAGON
95314-06600-00
Unavailable
38
NUT (2H9)
90170-06228-00
Unavailable
39
RIVET, BLIND
90267-48018-00
Unavailable
40
. BUZZER
8CR-83383-00-00
Unavailable
41
BOLT(3JK)
97027-05020-00
Unavailable
42
NUT, FLANGE(3GM)
95707-05500-00
Unavailable
43
BUZZER
8CW-83383-00-00
Unavailable
44
LABEL, WARNING 3
8DY-77763-00-00
Unavailable
