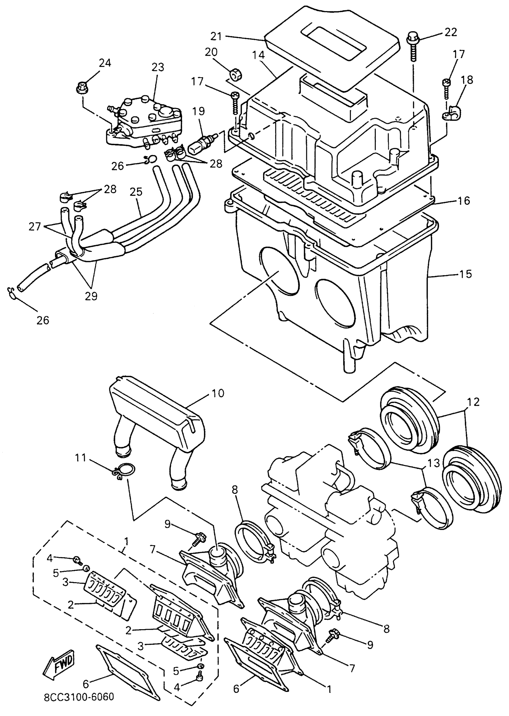
Yamaha VX600STW (VMAX 600 MOUNTAIN MAX) 1996 INTAKE Diagram
#
Description
Price
1
REED VALVE ASSEMBLY
8CA-13610-00-00
Unavailable
2
. REED, VALVE
8CA-13613-00-00
Unavailable
3
. STOPPER, REED VALVE
8CA-13616-00-00
Unavailable
7
MANIFOLD, INTAKE
8AB-13555-00-00
Unavailable
10
CHAMBER, AIR
8AB-13581-00-00
Unavailable
12
JOINT,AIR CLNR 1
8AB-14453-00-00
Unavailable
14
SILENCER, INTAKE 1
8AB-14431-00-00
Unavailable
15
SILENCER, INTAKE 2
8AB-14441-00-00
Unavailable
16
PLATE
8AB-14477-00-00
Unavailable
17
SCREW, TAPPING(82M)
90167-05043-00
Unavailable
18
CLAMP
90465-08028-00
Unavailable
19
THERMO UNIT
8CC-83591-00-00
Unavailable
20
NUT
90179-12628-00
Unavailable
21
DAMPER 1
8AB-14425-01-00
Unavailable
22
BOLT, WITH WASHER(2WG)
90119-06172-00
Unavailable
23
FUEL PUMP ASSY
89A-24410-01-00
Unavailable
24
NUT, FLANGE(4MV)
95707-06500-00
Unavailable
25
HOSE (L450)
90445-10144-00
Unavailable
26
CLIP
90467-090A2-00
Unavailable
27
TUBE, FLEXIBLE VINYL(8AU)
91A20-05039-00
Unavailable
28
CLIP (8A1)
90467-09026-00
Unavailable
29
HOSE (L70)
90445-22327-00
Unavailable
