- Partiron
- OEM Parts
- Yamaha
- snowmobile
- 1996
- VX600DXW (VMAX 600 DX) 1996
TRACK SUSPENSION 2
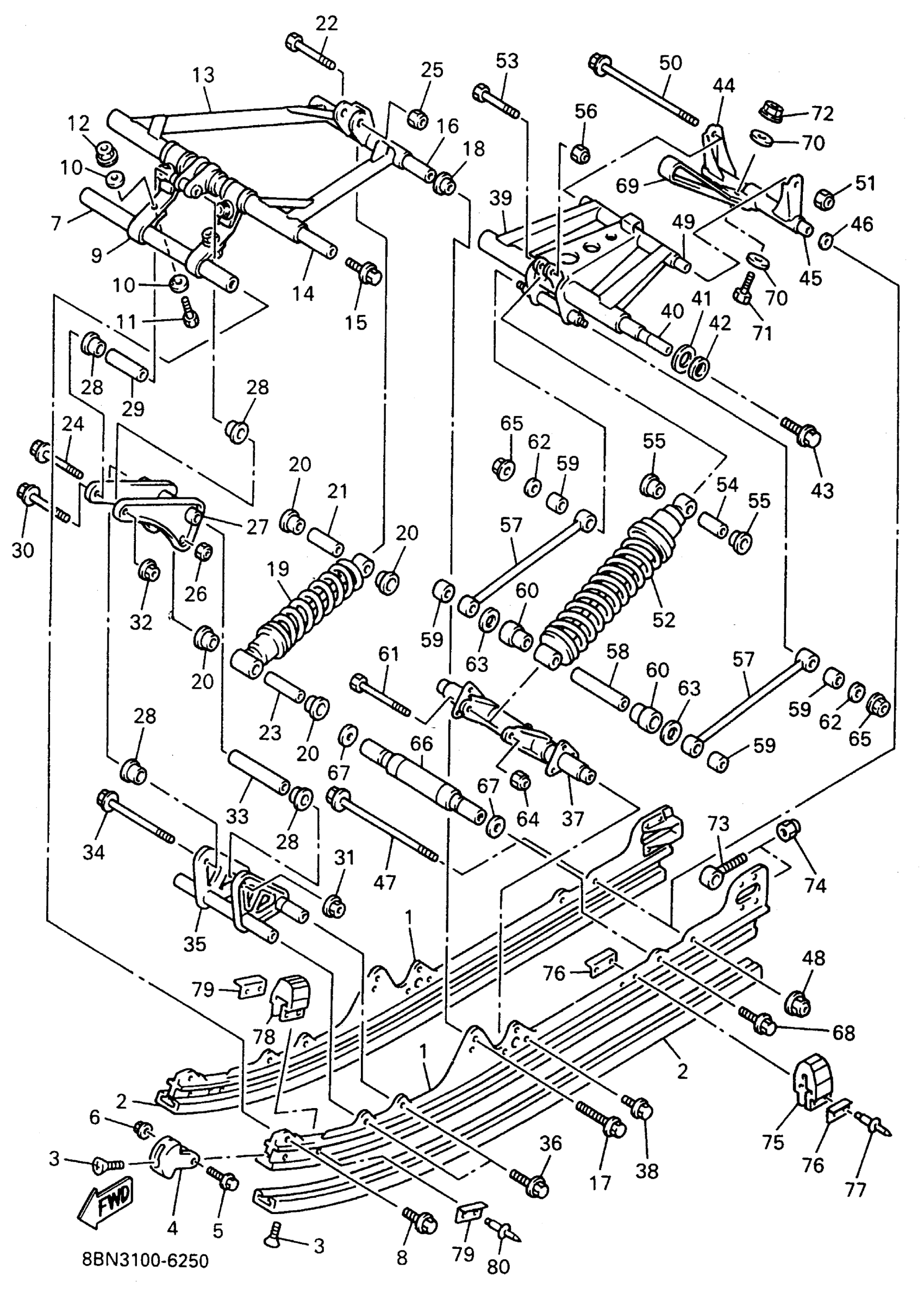
Yamaha VX600DXW (VMAX 600 DX) 1996 TRACK SUSPENSION 2 Diagram
#
1
FRAME, SLIDING
8BX-W4741-00-00
Unavailable
2
RUNNER 1, RED
8BX-47421-10-XX
Unavailable
3
SCREW, COUNTERSUNK
90151-06057-00
Unavailable
4
RUNNER,SLIDING 2
8AX-47422-01-00
Unavailable
7
SHAFT 3
82M-47485-02-00
Unavailable
9
STOPPER 1
8AB-47495-00-00
Unavailable
13
ARM,PIVOT 1
89A-47331-03-00
Unavailable
14
SHAFT 6
8CM-47488-10-00
Unavailable
16
SHAFT 3
82M-47485-02-00
Unavailable
18
COLLAR (8U7)
90387-105G6-00
Unavailable
19
SHOCK ABSORBER 2
8BR-47481-00-00
Unavailable
20
COLLAR (8U7)
90387-123G4-00
Unavailable
21
COLLAR
90387-08775-00
Unavailable
22
. BOLT
90101-08557-00
Unavailable
23
COLLAR
90387-08478-00
Unavailable
24
BOLT, WASHER BASED
90105-084A1-00
Unavailable
25
NUT, SELF-LOCKING
90185-08169-00
Unavailable
26
NUT, U
95617-08100-00
Unavailable
27
BRACKET 6
8U7-47464-00-00
Unavailable
28
COLLAR
90387-123G5-00
Unavailable
29
COLLAR
90387-08478-00
Unavailable
30
BOLT, FLANGE(JN5)
95817-08070-00
Unavailable
31
NUT, SELF-LOCKING
90185-08169-00
Unavailable
32
NUT, SELF-LOCKING
90185-08169-00
Unavailable
33
COLLAR
90387-084G0-00
Unavailable
34
BOLT, FLANGE
95817-08100-00
Unavailable
35
BRACKET 4
8AX-47418-00-00
Unavailable
36
BOLT, FLANGE(3GD)
95817-10025-00
Unavailable
37
BRACKET 2
8AX-47416-01-00
Unavailable
38
BOLT, FLANGE
95817-06020-00
Unavailable
39
ARM, PIVOT 2
8AV-47332-01-00
Unavailable
40
SHAFT 2
89A-47475-01-00
Unavailable
41
WASHER, PLATE(1KE)
90201-207J5-00
Unavailable
42
COLLAR(8AB)
90387-2004V-00
Unavailable
44
BRACKET 3
8U7-47417-00-00
Unavailable
45
COLLAR
90387-08632-00
Unavailable
46
WASHER (1T1)
90201-08649-00
Unavailable
47
BOLT, WASHER BASED(51X)
90105-08346-00
Unavailable
48
NUT, SELF-LOCKING
90185-08169-00
Unavailable
49
COLLAR (8U7)
90387-083G6-00
Unavailable
50
BOLT, FLANGE
95827-08220-00
Unavailable
51
NUT, SELF-LOCKING
90185-08169-00
Unavailable
52
SHOCK ABSORBER
8AB-47480-00-00
Unavailable
52
SHOCK ABSORBER
8BN-47480-00-00
Unavailable
52
SHOCK ABSORBER
8BA-47480-00-00
Unavailable
52
SHOCK ABSORBER
8BA-47480-00-00
Unavailable
53
BOLT(88R)
90101-10738-00
Unavailable
54
COLLAR (8U7)
90387-105G5-00
Unavailable
55
COLLAR (8U7)
90387-145G7-00
Unavailable
56
NUT, U
95617-10100-00
Unavailable
57
ROD, RELAY
8AB-47494-00-00
Unavailable
58
COLLAR
90387-1007P-00
Unavailable
59
COLLAR (8U7)
90387-143G7-00
Unavailable
60
COLLAR (8U7)
90387-144G2-00
Unavailable
61
BOLT
90101-10747-00
Unavailable
62
WASHER (853)
90201-08326-00
Unavailable
63
WASHER PLATE 148272190000
90201-14215-00
Unavailable
64
NUT, SELF-LOCKING(JN5)
95607-10200-00
Unavailable
65
NUT, NYLON
95717-08300-00
Unavailable
66
SHAFT 4
84J-47486-00-00
Unavailable
67
WASHER, PLATE (17K)
90201-106F2-00
Unavailable
69
STOPPER 2
8AB-47496-00-00
Unavailable
71
BOLT(21W)
97017-06035-00
Unavailable
73
COLLAR 3
8K2-47479-01-00
Unavailable
74
NUT, NYLON
95707-10300-00
Unavailable
75
DAMPER 1
89A-47456-00-00
Unavailable
76
PLATE, DAMPER
8K2-47458-01-00
Unavailable
77
RIVET, BLIND (8K4)
90267-48062-00
Unavailable
78
DAMPER 1
83R-47456-00-00
Unavailable
79
PLATE, DAMPER
8K2-47458-01-00
Unavailable
80
RIVET, BLIND (8K4)
90267-48062-00
Unavailable
