- Partiron
- OEM Parts
- Yamaha
- snowmobile
- 1996
- VX600DXW (VMAX 600 DX) 1996
TRACK SUSPENSION 1
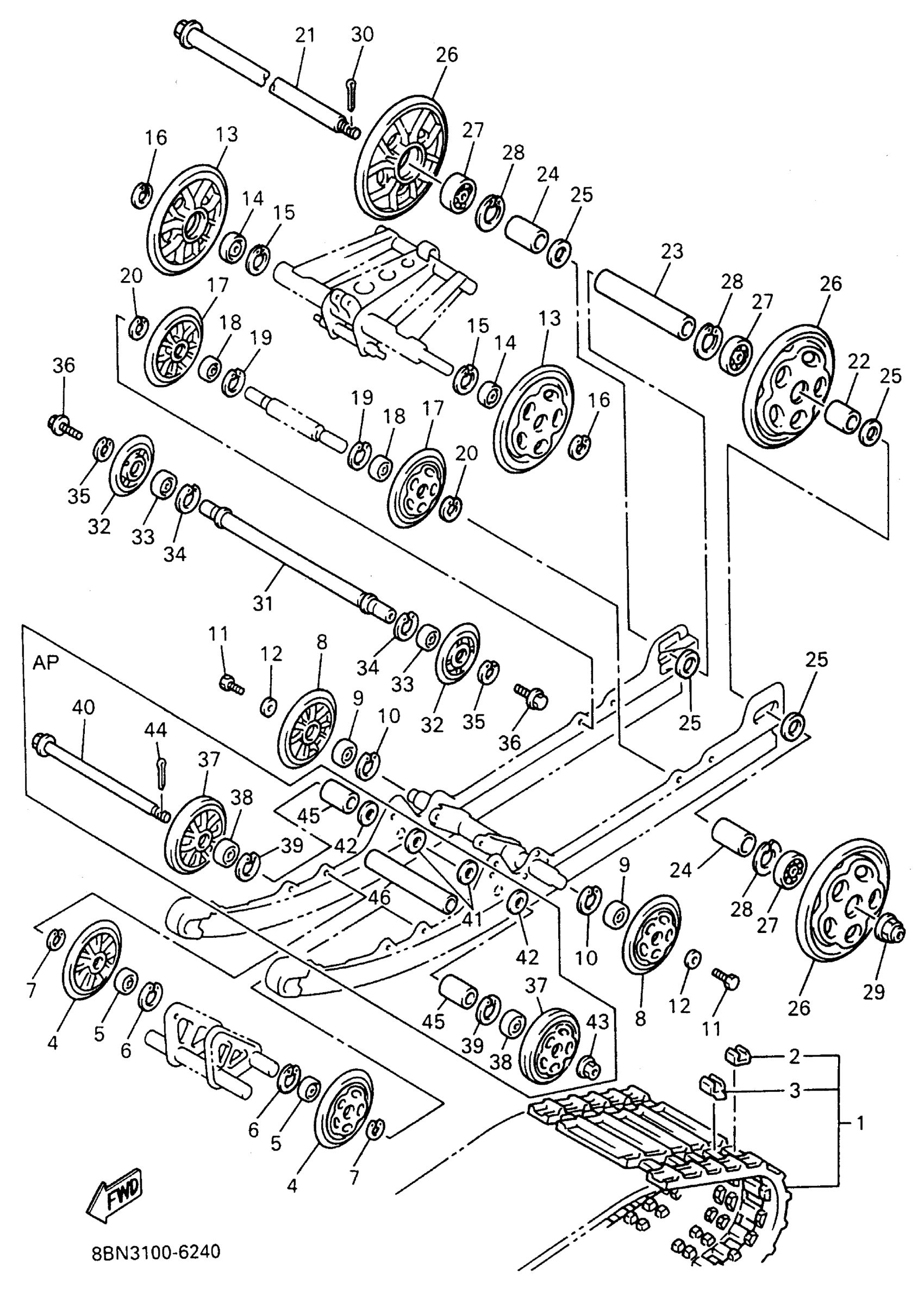
Yamaha VX600DXW (VMAX 600 DX) 1996 TRACK SUSPENSION 1 Diagram
#
Description
Price
1
TRACK ASY
8BN-47110-10-00
Unavailable
3
METAL, SLIDE
89A-47115-01-00
Unavailable
13
SUSPENSION WHEEL COMP.
88R-47320-00-00
Unavailable
21
REAR AXLE COMP.
8L8-47520-02-00
Unavailable
22
COLLAR
90387-204R3-00
Unavailable
23
COLLAR
90387-20023-00
Unavailable
24
COLLAR
90387-20022-00
Unavailable
25
WASHER, PLATE(89W)
90201-205R6-00
Unavailable
26
GUIDE WHEEL COMP.
8K2-47530-00-00
Unavailable
27
BEARING(8AE)
93306-20469-00
Unavailable
28
CIRCLIP(48Y)
99009-47500-00
Unavailable
29
NUT, SELF-LOCKING (8BF)
95607-14200-00
Unavailable
30
PIN, COTTER
91490-30030-00
Unavailable
31
IDLER
89A-47461-01-00
Unavailable
32
SUSPENSION WHEEL COMP.
8H8-47320-00-00
Unavailable
36
BOLT, FLANGE(8AB)
95817-08020-00
Unavailable
40
SHAFT 5
82M-47487-00-00
Unavailable
41
WASHER, PLATE
90201-164P0-00
Unavailable
42
WASHER, PLATE(33Y)
90201-164H4-00
Unavailable
43
NUT, SELF-LOCKING (8BF)
95607-14200-00
Unavailable
44
PIN, COTTER
91490-30030-00
Unavailable
45
COLLAR
90387-166M8-00
Unavailable
46
COLLAR
90387-160M7-00
Unavailable
