- Partiron
- OEM Parts
- Yamaha
- snowmobile
- 1994
- VX500U (VMAX 500) 1994
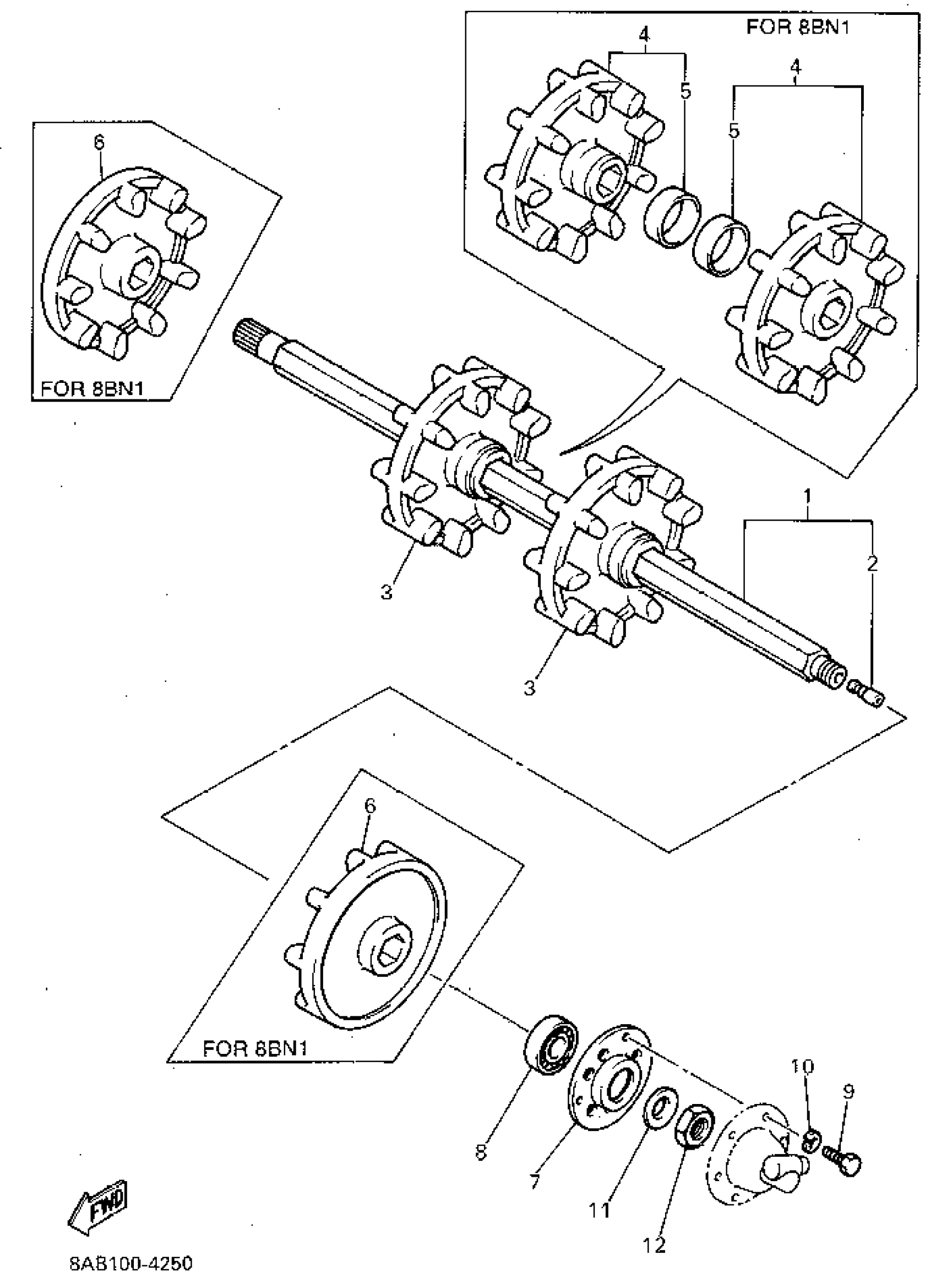
TRACK DRIVE 1(ALTERNATE PARTS (AP) FOR HEAVY DUTY
Yamaha VX500U (VMAX 500) 1994 TRACK DRIVE 1(ALTERNATE PARTS (AP) FOR HEAVY DUTY Diagram
#
Description
Price
1
AXLE, FRONT
8AB-W4751-00-00
Unavailable
1
AXLE, FRONT
8AB-W4751-10-00
Unavailable
3
WHEEL, SPROCKET 1
89A-47531-01-00
Unavailable
4
WHEEL, SPROCKET 1
8R6-W4753-01-00
Unavailable
6
WHEEL, SPROCKET 2
89L-47532-00-00
Unavailable
7
HOUSING, FRONT AXLE
89A-47551-00-00
Unavailable
