Partiron

Yamaha VX500DXW (VMAX 500 DX) 1996 TRACK DRIVE 1 Diagram

#

Description
Price

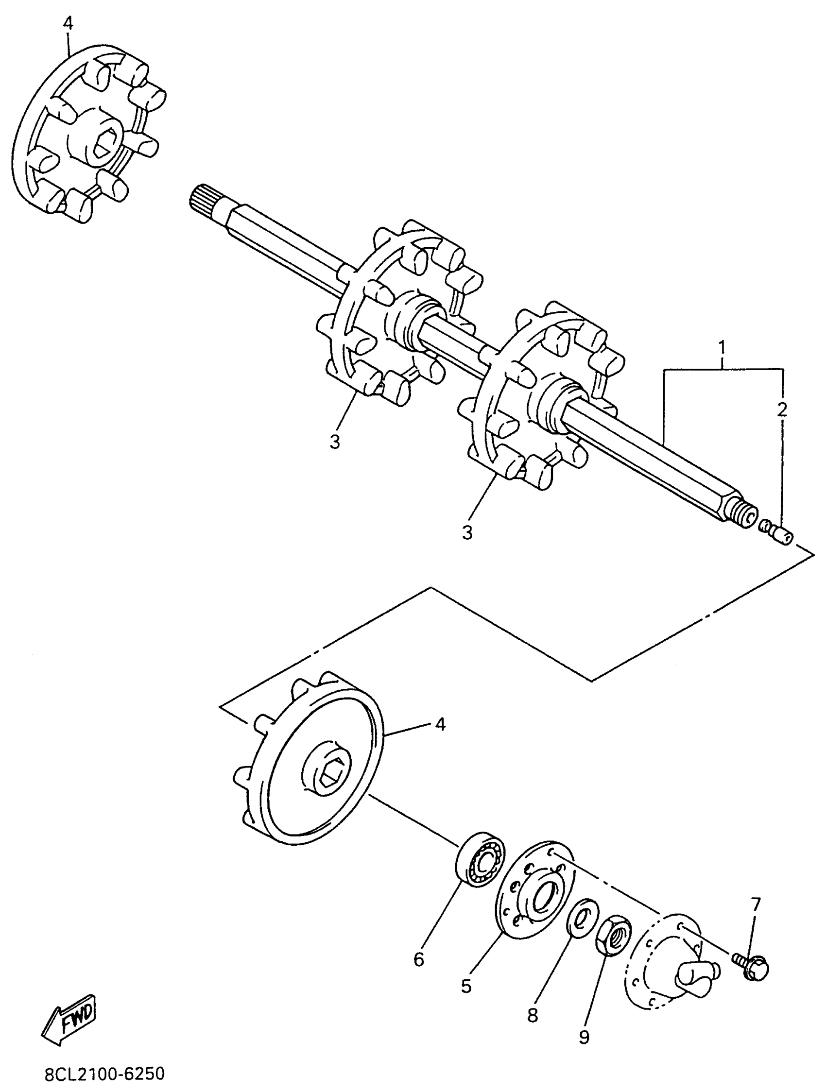
1

AXLE, FRONT

8AB-W4751-10-00

Unavailable

2

CONNECTOR

8K4-47577-00-00

$20.99

3

WHEEL, SPROCKET 1

8CM-47531-10-00

$145.99

4

WHEEL, SPROCKET 2

8CM-47532-10-00

Unavailable

5

HOUSING, FRONT AXLE

89A-47551-00-00

Unavailable

6

BEARING(89A)

93306-27206-00

$70.99

7

BOLT, FLANGE

95817-08014-00

$5.60

8

WASHER 810475810000

90208-22001-00

$8.49

9

NUT (821-47579-00)

90170-22094-00

$5.60