- Partiron
- OEM Parts
- Yamaha
- waverunner
- 2024
- VX1900CA (VX CRUISER HO WAUD_VX CRUISER HO) F7M3 2024
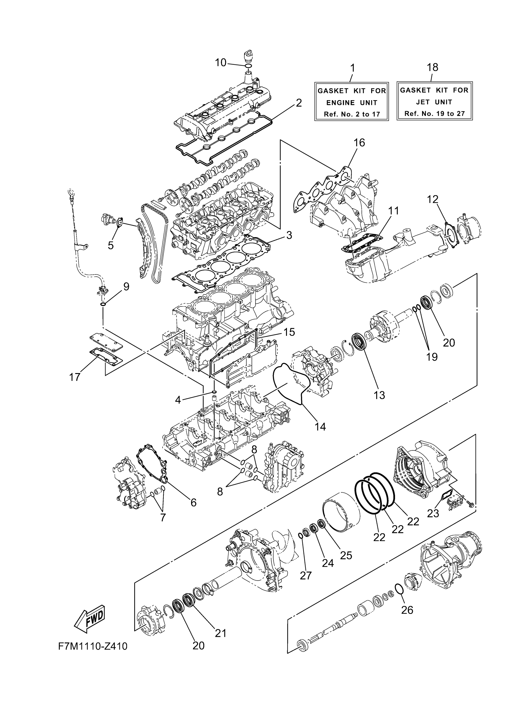
REPAIR KIT 1
Yamaha VX1900CA (VX CRUISER HO WAUD_VX CRUISER HO) F7M3 2024 REPAIR KIT 1 Diagram
#
Description
Price
1
GASKET KIT FOR ENG
6LE-W0001-00-00
Unavailable
6
. GASKET
6S5-13563-00-00
Unavailable
9
. O-RING
93210-12016-00
Unavailable
10
O-RING (646)
93210-19123-00
Unavailable
11
. GASKET, MUFFLER DAMPER 1
6S5-14739-00-00
Unavailable
12
. GASKET, MUFFLER DAMPER 2
6BH-14749-00-00
Unavailable
14
. O-RING
6S5-81168-00-00
Unavailable
15
. GASKET
6BH-13557-00-00
Unavailable
16
GASKET, EXHAUST PI
6LE-14613-00-00
Unavailable
17
. GASKET, COVER
6BH-1131B-00-00
Unavailable
18
GASKET KIT FOR JET
6LE-W0001-20-00
Unavailable
19
O-RING(6U1)
93210-22MF1-00
Unavailable
20
. OIL SEAL
93102-29008-00
Unavailable
21
OIL SEAL
93102-29009-00
Unavailable
22
O-RING
93211-65801-00
Unavailable
23
. O-RING
66V-42414-00-00
Unavailable
24
. OIL SEAL
93102-31009-00
Unavailable
25
. OIL SEAL
93101-31001-00
Unavailable
26
O-RING
93210-54010-00
Unavailable
27
O-RING (30X)
93210-30611-00
Unavailable
