Partiron

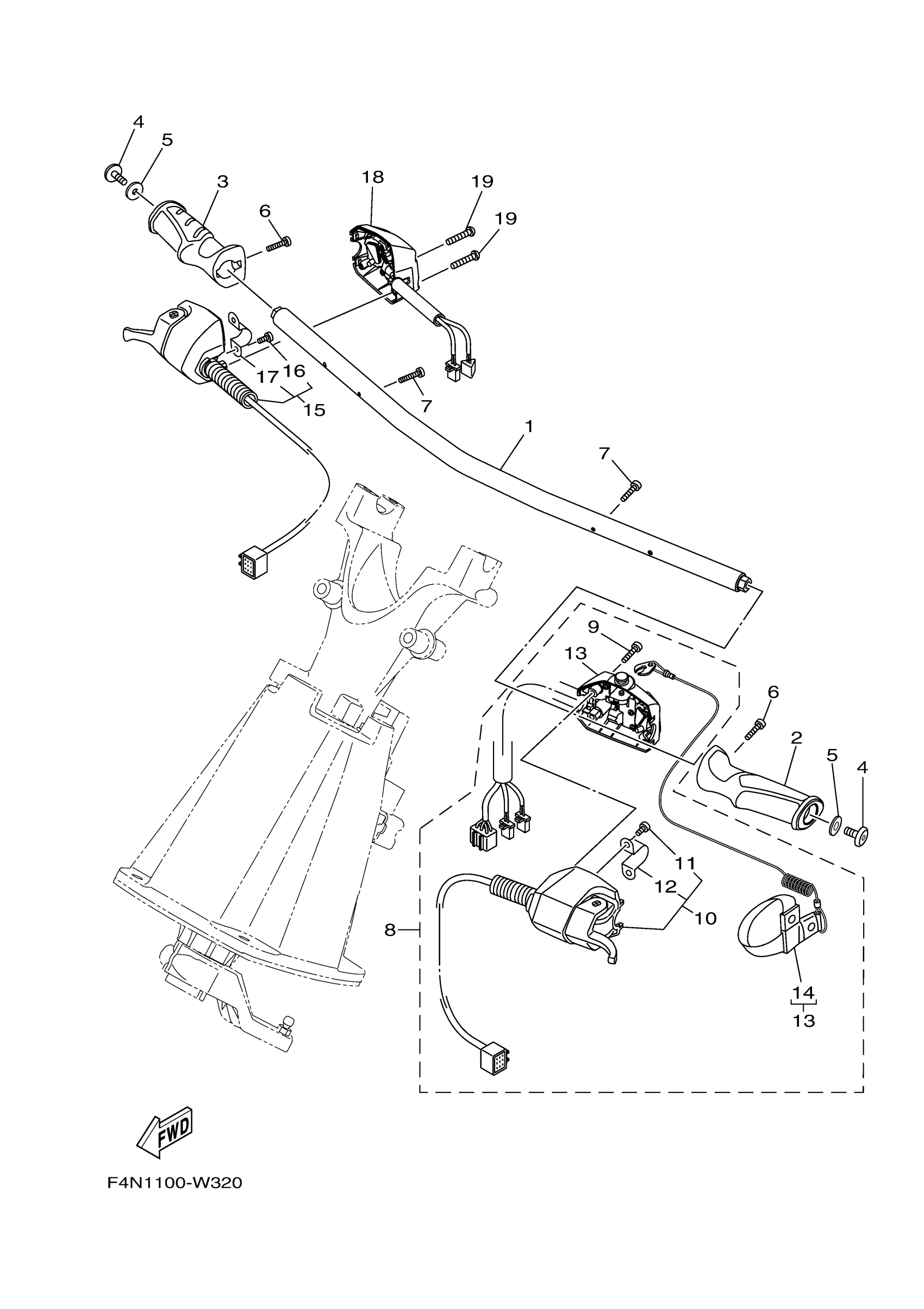
Yamaha VX1800CW (VX CRUISER WITH AUDIO_VX CRUISER) F4S3 2021 STEERING 1 Diagram

#

Description
Price

1

HANDLE

F4N-U1552-00-00

Unavailable

2

GRIP,HANDLE

F4P-U155C-00-00

Unavailable

3

GRIP, HANDLE

F4P-U155D-00-00

Unavailable

4

BOLT, HEXAGON SOCKET HEAD

90110-06383-00

Unavailable

5

WASHER, PLATE

90201-068G0-00

Unavailable

6

BOLT

F2S-U1516-00-00

Unavailable

7

BOLT

91380-04030-00

Unavailable

8

SWITCH BOX ASSY

F4P-68310-14-00

Unavailable

9

BOLT, THROTTLE

6CS-6725F-00-00

Unavailable

10

SHIFT LEVER ASSY

F4P-26411-12-00

Unavailable

11

. BOLT, THROTTLE

F4P-6725F-00-00

Unavailable

12

. SUPPORT

F4P-61368-00-00

Unavailable

13

SWITCH ASSY

F4P-8259E-12-00

Unavailable

14

. LANYARD, STOP SWITCH

EW2-68348-00-00

Unavailable

15

THROTTLE LEVER COMP

F4P-14305-12-00

Unavailable

16

. BOLT, THROTTLE

F4P-6725F-00-00

Unavailable

17

. SUPPORT

F4P-61368-00-00

Unavailable

18

SWITCH ASSY

F4P-81860-01-00

Unavailable

19

BOLT, THROTTLE

6CS-6725F-00-00

Unavailable