- Partiron
- OEM Parts
- Yamaha
- waverunner
- 2021
- VX1800CW (VX CRUISER WITH AUDIO_VX CRUISER) F4S3 2021
ENGINE HATCH 1
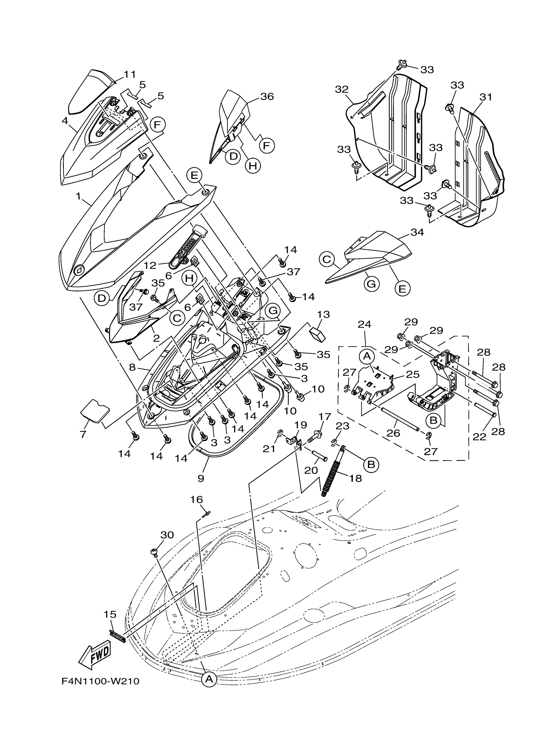
Yamaha VX1800CW (VX CRUISER WITH AUDIO_VX CRUISER) F4S3 2021 ENGINE HATCH 1 Diagram
#
1
LID, ENGINE ROOM (VLGS3)
F4N-U517B-00-P1
Unavailable
1
LID, ENGINE ROOM (VLGS6)
F4N-U517B-00-P4
Unavailable
3
SCREW
F2S-U13C1-00-00
Unavailable
5
. PACKING 3
F1K-U266B-00-00
Unavailable
6
CLIP
F3Y-U153K-00-00
Unavailable
7
STOPPER, PACKING
F4P-U7462-00-00
Unavailable
10
. CUSHION, RUBBER
F1W-U3768-01-00
Unavailable
11
VISOR, 2
F4N-U515P-00-00
Unavailable
12
LOCK, LID
F4N-U517C-00-00
Unavailable
13
PACKING
F2C-U1743-00-00
Unavailable
14
SCREW
F2S-U13C1-00-00
Unavailable
15
PLATE, BASE 2
F2S-U8592-00-00
Unavailable
16
RIVET (EU0)
90267-48938-00
Unavailable
17
BOLT, WITH WASHER
90119-06820-00
Unavailable
18
DAMPER 1
F4P-U515D-01-00
Unavailable
19
BRACKET, DAMPER 1
F4P-UFRV1-00-00
Unavailable
20
CLEVIS
F4P-U7243-00-00
Unavailable
21
. E-RING
F4P-U515C-00-00
Unavailable
22
CLEVIS 1
F4P-UF8DM-00-00
Unavailable
23
. E-RING
F4P-U515C-00-00
Unavailable
24
HINGE ASSY.
F4P-U515A-00-00
Unavailable
25
. PLATE, HINGE LID
F4P-U518E-00-00
Unavailable
26
. ROD
F4P-U7256-00-00
Unavailable
27
. E-RING
F4P-U515C-00-00
Unavailable
28
BOLT, STUD 1
F4P-U4445-00-00
Unavailable
29
NUT, LOCK
F3Y-U142L-00-00
Unavailable
30
BOLT, HEXAGON SOCKET BUTTON
90111-06873-00
Unavailable
31
LOCKER,BOW
F4P-U475B-00-00
Unavailable
32
PLATE, LOKER BOW
F4P-U475F-00-00
Unavailable
33
RIVET
F4P-U1454-00-00
Unavailable
34
MIRROR(LEFT) (BLACK AND YELLOW)
F4N-U590D-40-00
Unavailable
34
MIRROR(LEFT) (BLACK AND GREEN)
F4N-U590D-50-00
Unavailable
35
BOLT, WITH WASHER
90119-06880-00
Unavailable
36
MIRROR (RIGHT)
F4N-U590E-40-00
Unavailable
36
MIRROR (RIGHT)
F4N-U590E-50-00
Unavailable
37
BOLT, WITH WASHER
90119-06880-00
Unavailable
