- Partiron
- OEM Parts
- Yamaha
- waverunner
- 2015
- VX1800AP (VXR) F2W1 2015
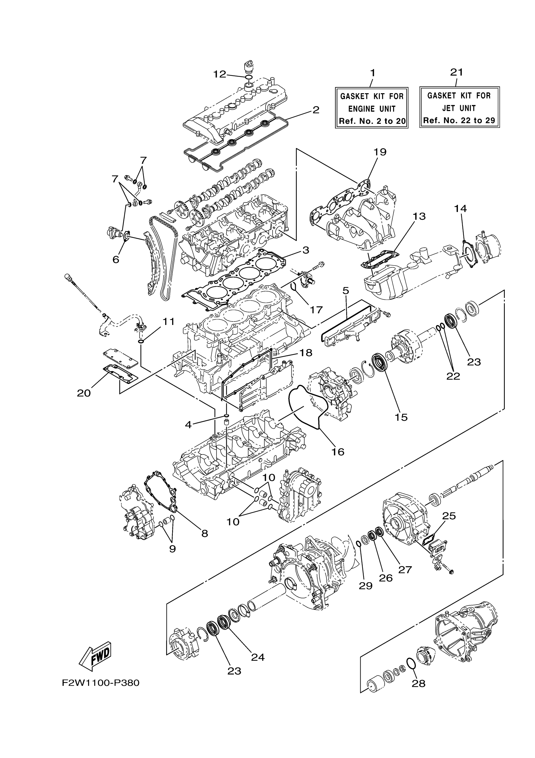
REPAIR KIT 1
Yamaha VX1800AP (VXR) F2W1 2015 REPAIR KIT 1 Diagram
#
Description
Price
1
GASKET KIT FOR ENGINE UNIT
6HM-W0001-01-00
Unavailable
2
. GASKET, HEAD COVER 1
6BH-11193-00-00
Unavailable
3
GASKET, CYLINDER HEAD 1
6JC-11181-00-00
Unavailable
5
. GASKET, WATER INLET
6CS-12517-00-00
Unavailable
6
. GASKET
6S5-121E2-00-00
Unavailable
7
. GASKET
90430-10007-00
Unavailable
8
. GASKET
6S5-13563-00-00
Unavailable
11
. O-RING
93210-12016-00
Unavailable
13
. GASKET, MUFFLER DAMPER 1
6S5-14739-00-00
Unavailable
14
. GASKET, MUFFLER DAMPER 2
6BH-14749-00-00
Unavailable
16
. O-RING
6S5-81168-00-00
Unavailable
17
O-RING (341)
93210-32172-00
Unavailable
18
. GASKET
6BH-13557-00-00
Unavailable
19
. GASKET, EXHAUST PIPE
6BH-14613-00-00
Unavailable
20
. GASKET, COVER
6BH-1131B-00-00
Unavailable
21
GASKET KIT FOR JET UNIT
6EW-W0001-20-00
Unavailable
22
O-RING(6U1)
93210-22MF1-00
Unavailable
23
. OIL SEAL
93102-29008-00
Unavailable
24
OIL SEAL
93102-29009-00
Unavailable
25
. O-RING
66V-42414-00-00
Unavailable
26
. OIL SEAL
93102-31009-00
Unavailable
27
. OIL SEAL
93101-31001-00
Unavailable
28
O-RING
93210-54010-00
Unavailable
29
O-RING (30X)
93210-30611-00
Unavailable
