Yamaha VX1100E (WaveRunner VX110 Sport) F1KA 2006 CONTROL CABLE Diagram
#
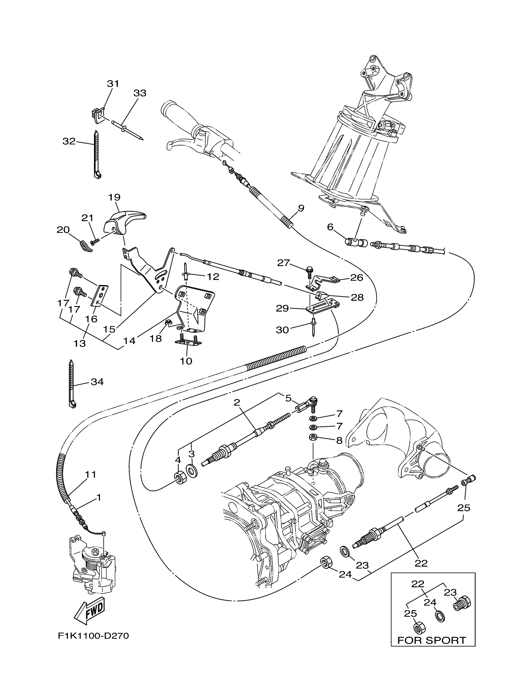
1
CABLE, THROTTLE 1
6D3-26311-02-00
Unavailable
2
CABLE, STEERING
F1K-61481-03-00
Unavailable
3
. PACKING C
F1B-61438-00-00
Unavailable
4
NUT
F1B-6151S-01-00
Unavailable
5
. STUD, JOINT BALL
F1B-61461-02-00
Unavailable
6
SHAFT,JOINT BALL
GK5-U146F-00-00
Unavailable
7
WASHER, PLATE
90201-06906-00
Unavailable
8
NUT
9538R-06700-00
Unavailable
9
TUBE, 2
F0D-6773E-00-00
Unavailable
10
BRACKET
F1K-U826C-03-00
Unavailable
11
TUBE
90447-06800-00
Unavailable
12
RIVET, BLIND
90267-489U6-00
Unavailable
13
REMOCON. LEVER ASSY.
F1K-U134A-00-00
Unavailable
14
. BRACKET
F1K-U1794-02-00
Unavailable
15
. LEVER
F1K-U151N-02-00
Unavailable
16
. DETENT PLATE
F1K-U152N-00-00
Unavailable
17
. BOLT
F1K-U1355-00-00
Unavailable
18
NUT, NYLON (6J8)
95780-08300-00
Unavailable
19
GRIP
F1K-U2714-02-00
Unavailable
20
DAMPER, STOPPER
F1K-U1336-00-00
Unavailable
21
SCREW, COUNTERSUNK
90151-05802-00
Unavailable
22
CABLE,REVERSE
F1K-6149C-01-00
Unavailable
22
CONNECTOR, CABLE
F1K-67267-00-00
Unavailable
23
. PACKING C
F1B-61438-00-00
Unavailable
23
. BODY
F1K-61436-00-00
Unavailable
24
. PACKING C
F1B-61438-00-00
Unavailable
24
NUT
F1B-6151S-01-00
Unavailable
25
. BALL JOINT ASSY
F1B-61460-00-00
Unavailable
25
NUT
F1B-6151S-01-00
Unavailable
26
BRACKET, STOPPER CABLE
F1K-U1467-11-00
Unavailable
27
BOLT,WITH WASHER
90119-068B8-00
Unavailable
28
PACKING, CABLE
F1K-U146G-01-00
Unavailable
29
PLATE, STOPPER
F1K-U1316-02-00
Unavailable
30
RIVET, BLIND
90267-489U6-00
Unavailable
31
CLAMP COMP (EU0)
90600-91736-00
Unavailable
32
CLAMP
90464-32801-00
Unavailable
33
RIVET, BLIND
90267-489U6-00
Unavailable
34
CLAMP(JN6)
90464-40825-00
Unavailable
